欢迎光临haoDIY - DIY制作从这里开始!

diy音响功放音箱胆机电子单片机电脑科技小发明机器人制作_haoDIY

haodiy微信
当前位置: 主页 > 软件下载 > 电路图资料 >

51单片机+8x8led点阵做的弹球游戏机 pcb和程序

软件类型:国产软件 授权方式:共享软件 界面语言:简体中文 软件大小:0.10 MB 文件类型:.rar 运行环境:Win2003,WinXP,Win2000,Win9X 软件等级:★★★☆☆ 发布时间:2013-04-01 官方网址:http:// 演示网址:http:// 下载次数:
软件介绍
这是读大学时候DIY的游戏机,最先是在洞洞板上搭出来的,后来话了单面PCB做出来好看了些。

硬件:
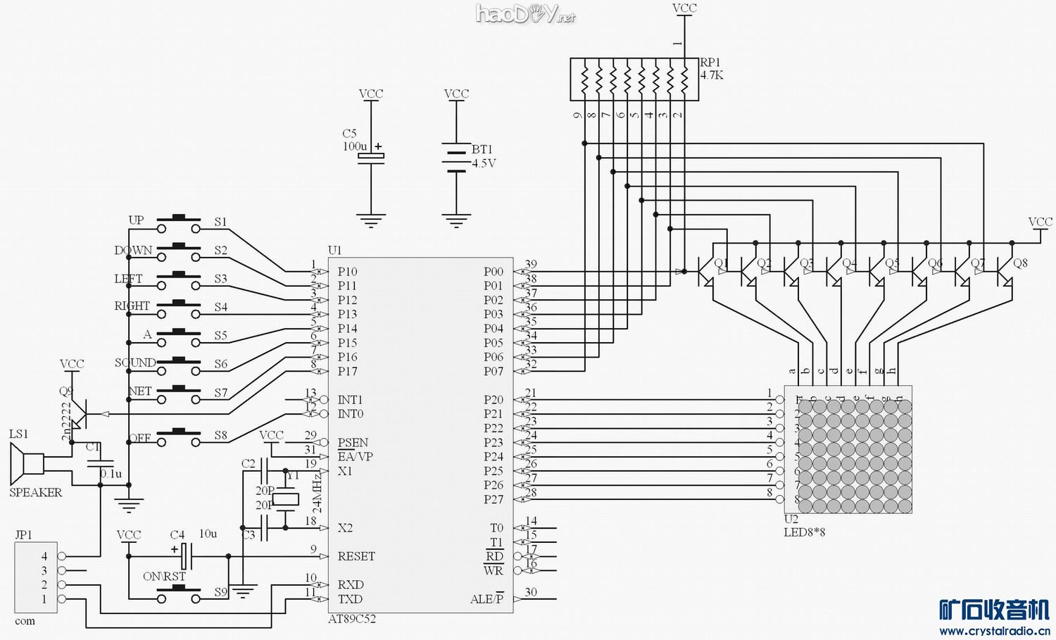
我使用了AT89C52,用P0和P2驱动8x8 LED点阵来显示图像,P0驱动8个C1815将电流灌入LED点阵,P2做了回路。P0,P2做行列扫面,显示图像。
P1做了游戏控制的按钮。INT0做关机按钮,出发一个电平中断将单片机powerdown,单片机powerdown后功耗很低,电池放几个月都没事。RESET做开机复位按钮。
P17控制喇叭,发出游戏声响
晶体我实际换成了33MHz的,因为游戏处理的进程太多了,勉强处理过来,单片机超频了,呵呵。
电池用三节5号,4.5V,单片机还是能工作的。
整体图像显示有点暗,主要是电池电压低和P2的灌电流能力不强。

软件:
软件我使用了keilC51的迷你操作系统,RTX51tiny,这个是keilC自带的51的迷你操作系统,基于时间片调度任务。

因为只有一个单片机,游戏主程序,显示扫描,按键扫描,声音合成的任务要同时进行,有了操作系统实现就很方便了。

任务1,扫描显示:把显存的内容,扫描显示到P0,P2
任务2,扫描键盘:把触发的按键传递到游戏主程序
任务3,处理主程序:计算弹球位置等,将结果输出到显存
任务4,根据主程序状态,合成各种游戏音效。

视频地址v.youku.com/v_show/id_XMzE5NTYzMDMy.html

其实这个是不错的平台,除了弹球游戏,还可以做其他的应用。我把原理图 PCB和c代码都共享出来,欢迎大家指正(上大学写了的,程序很乱哈)
 
附件是PCB工程,用AltiumDesigner打开;c代码的keil工程


IMG_20111103_153152.jpg 
IMG_20111103_153635_resize.jpg 
2011-11-5 15:33:33 上传
下载附件 (78 KB)
 

IMG_20111103_153733_resize.jpg 
IMG_20111103_153938_resize.jpg 
Schematic Prints.jpg


下载地址
下载说明

因为下载很占服务器资源,网站运营成本很高,所以软件全部限制为会员下载,请大家理解和支持

☉推荐使用第三方专业下载工具下载本站软件,使用 WinRAR v3.10 以上版本解压本站软件。
☉如果这个软件总是不能下载的请点击报告错误,谢谢合作!!
☉下载本站资源,如果服务器暂不能下载请过一段时间重试!
☉如果遇到什么问题,请到本站论坛去咨寻,我们将在那里提供更多 、更好的资源!
☉本站提供的一些商业软件是供学习研究之用,如用于商业用途,请购买正版。

顶一下
(1)
100%
踩一下
(0)
0%
------分隔线----------------------------
发表评论
请自觉遵守互联网相关的政策法规,严禁发布色情、暴力、反动的言论。
评价:
用户名: 验证码: 点击我更换图片
栏目列表