|
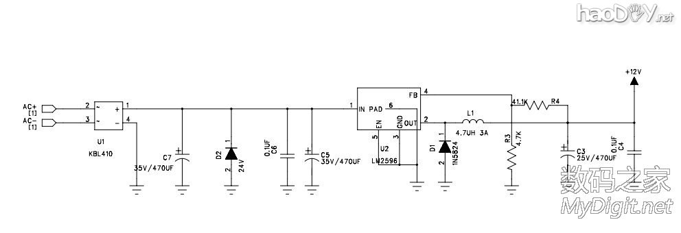
又是周末,某人求一POE图纸,遂发此图。 PCB尺寸5.5*3.5cm LM2596 DCDC,输入耐压40V。46 58 设计46 58四线交流24V供电。如果要采用更高电压,需要更换输入滤波电容耐压。 此芯片批量价格应该在一块出头,不含税。 设计输出12V DC,3A。 ================================ 材料清单 顶层: F1 5A,自恢复保险丝 插件或者1206贴片。 J1 J4, RJ45网口,尺寸见附图 J2, 2PIN白插座,脚距2.54 J3, DC直流电源插座, 外5.5mm/内2.1mm /*如果不想买座子,此处J3和上面的J2可以不用,直接用线焊接出来12V输出*/ C3, 贴片电解电容,25V/470UF,尺寸10MM*10MM以内。 C5 C7, 贴片电解电容,35V/470UF,尺寸10MM*10MM以内。 L1, 贴片功率电感,DO3316型,4.7UH/4.8A。电感量并不限定,官方给出上限是33UH,但是考虑到如此大感量不太好做大电流小封装,DO3316 33UH最大电流2A。 底层: U1, 贴片整流桥,DB207S U2, DCDC芯片,LM2596-ADJ TO-263-5封装。 最好买正品。 R3, 贴片电阻,4.7K,0805 5%。 R4, 贴片电阻,41K,0805 5%。 C4 C6,贴片电容,0.1UF,0805 -20%-+80%. D1, 3A贴片肖特基二极管,SMB封装(1210),参考型号1N5822,B360A 推荐更大电流的1N5824 5A D2, 24V贴片稳压二极管,0.5W,1206封装。 ![]() |













