元件选择
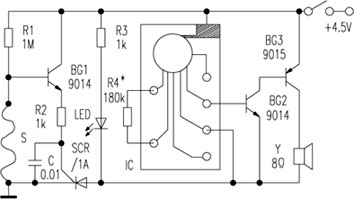
全部元件均为常用件,其值如图标注。个中IC为CW9561四声报警集成块,通过差异的接线要领,可获得差异的报警信号。虽然,也可视必要和前提选用其他范例的集成块。Y为8Ω小型高音或低音扬声器。
几点声名
1.因为R1取值较大,且与BG1配合构成电子开关,不只迅速度高,并且极大限度地低落了报警器在警戒状态下自身的功耗。这是本电路的突出特点之一。经丈量,警戒状态下,本电路功耗约为5μA阁下,三节五号电池可用半年以上。经四年多来的行使,证明结果精采。
2.警戒线可直接用细漆包线,也可用平凡多股软导线,去掉绝缘皮,把内部细铜丝一根一根抽出,再别离头尾相连,长度视必要而定。留意既要打仗精采,又要保持潜伏和易断。
3.如嫌报警声小,可对本电路作响应的窜改,如增进电源电压,以进步输出功率。
如图所示。电路中由R1为BG1的b极提供偏置电压。在警戒状态下,b极偏置电压经警戒线S对地短路,BG1不事变。如遇盗情,S被断开,BG1当即得电事变。BG1射极电流经R2触发SCR导通,指示灯LED亮,IC输出报警信号,经BG2、BG3复合放大后,驱动扬声器放音。这时纵然是把S从头接通,也照报不误,只有封锁电源开关才气扫除报警,以是具有防粉碎浸染。

元件选择
全部元件均为常用件,其值如图标注。个中IC为CW9561四声报警集成块,通过差异的接线要领,可获得差异的报警信号。虽然,也可视必要和前提选用其他范例的集成块。Y为8Ω小型高音或低音扬声器。
几点声名
1.因为R1取值较大,且与BG1配合构成电子开关,不只迅速度高,并且极大限度地低落了报警器在警戒状态下自身的功耗。这是本电路的突出特点之一。经丈量,警戒状态下,本电路功耗约为5μA阁下,三节五号电池可用半年以上。经四年多来的行使,证明结果精采。
2.警戒线可直接用细漆包线,也可用平凡多股软导线,去掉绝缘皮,把内部细铜丝一根一根抽出,再别离头尾相连,长度视必要而定。留意既要打仗精采,又要保持潜伏和易断。
3.如嫌报警声小,可对本电路作响应的窜改,如增进电源电压,以进步输出功率。
(责任编辑:admin) |