最好的电子音响科技diy制作网站

haoDIY_音响电子电脑科技DIY小制作发明

当前位置: 主页 > 最新DIY >

原来用变容二极管做FM无线话筒频率如此稳定,音质更是洪亮清晰

时间:2017-07-31 15:18来源:数码之家 作者:壹切皆有可能 点击:
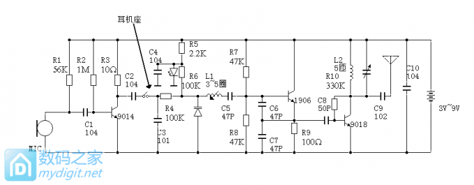
最后分享电路图 频率非常稳定 有视频有真相, 绝非普通电容三点式的移动或靠近就跑频此广告可免费关闭http://player.youku.com/player.php/sid/XMjU3MjkyMTY4MA==/v.swf|数码之家

原来用变容二极管做FM无线话筒频率如此稳定,音质更是洪亮清晰 原来用变容二极管做FM无线话筒频率如此稳定,音质更是洪亮清晰 原来用变容二极管做FM无线话筒频率如此稳定,音质更是洪亮清晰 原来用变容二极管做FM无线话筒频率如此稳定,音质更是洪亮清晰 原来用变容二极管做FM无线话筒频率如此稳定,音质更是洪亮清晰 原来用变容二极管做FM无线话筒频率如此稳定,音质更是洪亮清晰 原来用变容二极管做FM无线话筒频率如此稳定,音质更是洪亮清晰 原来用变容二极管做FM无线话筒频率如此稳定,音质更是洪亮清晰 原来用变容二极管做FM无线话筒频率如此稳定,音质更是洪亮清晰 原来用变容二极管做FM无线话筒频率如此稳定,音质更是洪亮清晰 原来用变容二极管做FM无线话筒频率如此稳定,音质更是洪亮清晰 原来用变容二极管做FM无线话筒频率如此稳定,音质更是洪亮清晰 原来用变容二极管做FM无线话筒频率如此稳定,音质更是洪亮清晰 原来用变容二极管做FM无线话筒频率如此稳定,音质更是洪亮清晰 原来用变容二极管做FM无线话筒频率如此稳定,音质更是洪亮清晰 原来用变容二极管做FM无线话筒频率如此稳定,音质更是洪亮清晰 原来用变容二极管做FM无线话筒频率如此稳定,音质更是洪亮清晰 原来用变容二极管做FM无线话筒频率如此稳定,音质更是洪亮清晰 原来用变容二极管做FM无线话筒频率如此稳定,音质更是洪亮清晰 原来用变容二极管做FM无线话筒频率如此稳定,音质更是洪亮清晰 原来用变容二极管做FM无线话筒频率如此稳定,音质更是洪亮清晰
最后分享电路图原来用变容二极管做FM无线话筒频率如此稳定,音质更是洪亮清晰

频率非常稳定 有视频有真相, 绝非普通电容三点式的移动或靠近就跑频
前几天做的这个  刚好邻居家结婚了 你懂得原来用变容二极管做FM无线话筒频率如此稳定,音质更是洪亮清晰
原来用变容二极管做FM无线话筒频率如此稳定,音质更是洪亮清晰原来用变容二极管做FM无线话筒频率如此稳定,音质更是洪亮清晰原来用变容二极管做FM无线话筒频率如此稳定,音质更是洪亮清晰原来用变容二极管做FM无线话筒频率如此稳定,音质更是洪亮清晰原来用变容二极管做FM无线话筒频率如此稳定,音质更是洪亮清晰原来用变容二极管做FM无线话筒频率如此稳定,音质更是洪亮清晰原来用变容二极管做FM无线话筒频率如此稳定,音质更是洪亮清晰 (责任编辑:admin)
织梦二维码生成器
顶一下
(0)
0%
踩一下
(0)
0%
相关文章
------分隔线----------------------------
发表评论
请自觉遵守互联网相关的政策法规,严禁发布色情、暴力、反动的言论。
评价:
表情:
用户名: 验证码:点击我更换图片
栏目列表
推荐内容