|
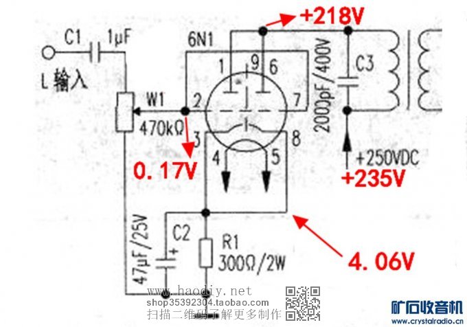
6N1采用单管三极管并联接法,做着玩
(责任编辑:admin) 只做了一个声道,输出牛为220V/6V普通变压器,只要选材无误可一次成功,输出不失真功率大约1W,小房间应该足够了, 不必调试即可得到不错的音色, (本电路采用上海6N1,如用北京6N1电压参数会有所改变)音源为SONY DAT D8 音箱是老惠威书架S5,仅个人感觉此电路中低音突出丰满圆润耐听,尤其听赵鹏的歌,不足之处高音稍暗,不过如此简易的机机已经很不错, 最适合初学的朋友制作,以此即练手又有胆味浓郁的音色,仅此而已,不足之处还望各坛内大神指教。 实物如图: ![]() ![]() ![]() ![]() ![]() ![]() ![]() ![]() ![]() ![]() ![]() ![]() ![]() ![]() DAT顾名思义就是digtal audio tape数字音频磁带的缩写,是一种高密度数字磁带录音介质,频率采样为三种模拟LP32KHZ、数字44.1KHZ及模拟48KHZ,以主由索尼公司研制,爱华第一个推出的原型产品,由于开发代价及制造代价高昂及出于对版权的考虑,面向的主要用途为专业领域,多为灌制CD前的母带制作。1996年2月索尼在TCD-D7的基础上推出了改良型的TCD-D8,在D7的基础上增加了44.1KHZ模式,输入口也改用镀金口,4节5号电池驱动,在当时是被公认为音质在DAT walkan中最好的一款机器。频响宽,动态大,声音干净靓丽...... ![]() ![]() ![]() ![]() ![]() ![]() ![]() ![]() ![]() ![]() ![]() ![]() ![]() ![]() ![]() ![]() ![]() ![]() ![]() |




















































