|
狠肥了点儿脑筋,搭棚焊接没经验,只能想一步走一步的一点儿点儿做活儿,花了多半天的时间总算完成,感觉元件安排分了好几层,走线也乱,一点接地这个原则还是坚持了。水平太差,只能这样了。上图说话:
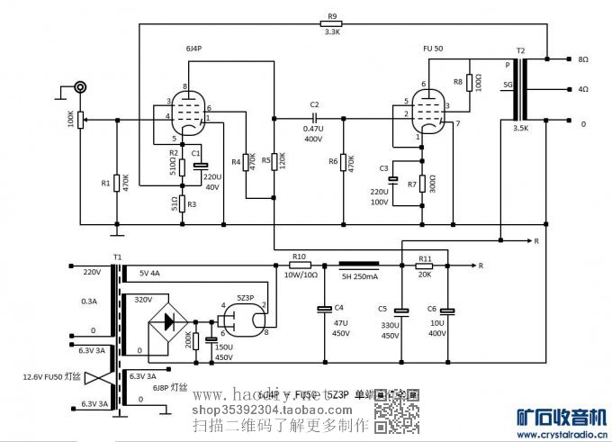
(责任编辑:admin) ![]() 图中电源部分里 6J8P灯丝 为绘图时的笔误,应更正为 6J4P灯丝。 ![]() |
|
狠肥了点儿脑筋,搭棚焊接没经验,只能想一步走一步的一点儿点儿做活儿,花了多半天的时间总算完成,感觉元件安排分了好几层,走线也乱,一点接地这个原则还是坚持了。水平太差,只能这样了。上图说话:
(责任编辑:admin) ![]() 图中电源部分里 6J8P灯丝 为绘图时的笔误,应更正为 6J4P灯丝。 ![]() |
成品镇楼!! (小米电子时钟,233~~)——————————————————————...
要做各种颜色的火焰是很简单是事情,其中最明亮最漂亮的火焰之一就是绿色火焰!看怎样...
没有磁性的指南针——中学生科技小制作 极客迷(www.geekfans.com) 制作指南针是小制...
居里温度计,用温度驾驭磁性 ——极客迷(www.geekfans.com) 本文藉由改良式的居里温...
自制几何模型,领略数学之美 ——极客迷(www.geekfans.com) 数学在我们眼里经常是枯...
iPhone 3G和3GS的摄像头拍微距很不给力,iPhone4有了5倍数码变焦以后才解决了这个问题...
旧物利用,小电电也能充手机了
更新:2017-08-01
自制几何模型,领略数学之美
更新:2017-07-07
[到手拆] [有来有往] [还完为止]
更新:2017-07-23
组装摩托罗拉手台电池,支持原厂
更新:2017-08-03