|
述语解释: 接近传感器,是代替限位开关等接触式检测方式,以无需接触检测对象进行检测为目的的传感器的总称。能检测对象的移动信息和存在信息转换为电气信号。
Arduino,中文名叫阿尔杜若伊,Arduino 是一款便捷灵活、方便上手的开源电子原型平台,包含硬件(各种型号的arduino板)和软件(arduino IDE).它适用于艺术家、设计师、DIY爱好者和电子发烧友的朋友们。Arduino能通过各种各样的传感器来感知环境,通过控制灯光、马达和其他的装置来反馈、影响环境。板子上的微控制器可以通过Arduino的编程语言来编写程序,编译成二进制文件,烧录进微控制器 对Arduino的编程是利用 Arduino编程语言 (基于 Wiring)和Arduino开发环境(based on Processing)来实现的。
接下来我只是分享一下我是如何使用红外LED和Arduino做一个很简单的接近传感器。
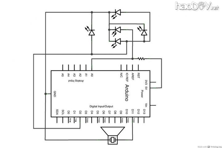
经过几次尝试去优化,我终于想出了一种相当简单的方法。就像我第一次DIY,在Arduino的世界里这个项目很适合初学者,任何人都可以用一些器件就能制作它。同时希望你们能喜欢。 第1步材料准备在这个DIY里面,你会需要: - Arduino开发板(Arduino UNO (rev3)) 一块 - 1只LED红外的接收器(2个引脚的光电二极管,而不是3个引脚的光电晶体管) - LED红外发射器(尽可能多的买几个,但至少有2 ) - 100K的电阻(棕黑色黄色) - 跳线 - 面包板 - 电工胶带(黑色的那种啊) - 蜂鸣器(选购)
要注意哦,不要混淆的LED接收器与LED发射器的,它们看起来都一样。 第2步动手做传感器在打造它之前,我打算让IR LED接收器不能从侧面接收光源,因此要求传感器更具有方向性。 我用电工胶带包住它,但你可以用吸管或任何东西去阻止光线从侧面接收。 电气胶带切一小片,并把它包起来,形成管状围住红外LED接收器。用剪刀修剪的边缘,直到它长1cm左右。
看看图片,看我怎么用电工胶带。 第3步代码时间以下是编写的Arduino程序,上传到Arduino中.
如果你想让距离听得见,还可以在这个项目中添加蜂鸣器。 第4步组装a.从电阻5V引脚连接到红外红LED接收器的阳极引脚. b.所有红外灯发射的阳极引脚连到数字引脚2(Arduino DIGITAL引脚部分),用一根线从红外线LED接收器的阳极引脚的模拟引脚0(Arduino ANALOG IN引脚部分), 不要忘了所有LED的阴极引脚连接到接地引脚。 c.蜂鸣器是可选的,但若你选择使用它,就连接到数字引脚1 1(PWM1 1)和接地(GND)。
d.肉眼是无法看到红外线光的,但你可以通过一台数码相机看到它,它有助于看见LED是否工作没有。像在上面的照片中你就能看见。 第5步完工该传感器响应到10英寸(25厘米)或更近的距离,所以能做到短距离的响应很不错了。
用自己的方式随意修改这个项目,告诉我你的进步。欢迎提出宝贵意见。 (责任编辑:admin) |





























