|
1.教程说明
说明:Atom Shield扩展板是Atom的配套扩展板,其将5V电源管脚、3.3V电源管脚和GND管脚进行了扩充,其余IO管脚与Atom的管脚一一对应。为方便接线及演示该教程的演示图片均连接使用了扩展板。 所需器材如图:
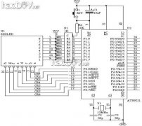
3.接线方式 将心率传感器模块接入Atom核心板,接线如下:
如下图所示:
4.参考设备配置 1)通过手机APP将Atom核心板完成配置,成功连接至IntoRobot云平台 2)WEB或APP选择对应参考设备,复制至已配置的设备 3)根据提示完成程序的烧录 4)设备正常运行 5.运行演示
6.应用场景及扩展 适用于心率检测。也可以与其他设备进行关联控制,例如心率超出一定范围值时给出提醒等,尤其方便年轻人监控老年人心率变化。
(责任编辑:admin) |




















