|
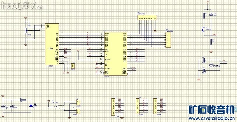
趁着电工实习做了一台,板子是自己画的,电池和DC5V都能使用用,关键是程序不太好弄 前前后后调了1个礼拜,也感谢很多大牛们的指导 整体图 我的标志 键盘 使用矩阵扫描的 游戏运行画面 每RESET后第一次执行程序都要出BUG 。。。不过以后执行就没有了补一张原理图塞 太简陋了 ![]() (责任编辑:admin) |
|
趁着电工实习做了一台,板子是自己画的,电池和DC5V都能使用用,关键是程序不太好弄 前前后后调了1个礼拜,也感谢很多大牛们的指导 整体图 我的标志 键盘 使用矩阵扫描的 游戏运行画面 每RESET后第一次执行程序都要出BUG 。。。不过以后执行就没有了补一张原理图塞 太简陋了 ![]() (责任编辑:admin) |
1.教程说明 心率计可以将检测到的心率数据传输至手机端和WEB端,从而实现心率的实时监...
最近有点忙,可还是腾出空来打造了一款单片机32位LED花样流水灯!......................
最近这段时间比较闲,特地将原先做的LED时钟升级一下!先上照 正面 反面 本次做的LED...
最近帮别人设计了一下毕业设计,就是温度检测、报警系统,具体的题目就不贴出来了。公...
电路设计: 图1是单片机最小系统电路;图2是驱动电路。共10路光源DS1~DS10,分别由AT8...
免费提供各种电子制作文章、资料、图纸...
用单片机diy制作多功能电子琴附
更新:2012-12-29
自制8X8 LED点阵显示驱动技术
更新:2013-01-13
DIY利用万能板自制的并口SPI 编
更新:2017-05-15
DS18B20单片机温度计测量、报警
更新:2014-06-20