最好的电子音响科技diy制作网站

haoDIY_音响电子电脑科技DIY小制作发明

当前位置: 主页 > 电子DIY > 单片机 >

【Arduino】废旧积木和电机利用——DIY吊车【转译】

时间:2017-10-27 22:12来源:未知 作者:admin 点击:
一起来学一学吧 主要材料 : 坏掉的电动电位器 L298N的电机驱动板 继电器 所需工具 : 剪刀 制作步骤 : 第1步: 这是我从坏掉的电动电位器,拆出来的,在一些功放中是可以看见它的身影,而且它的力量很大,用来做吊车是极好的 第2步: 第3步: 下面的电机还
【Arduino】废旧积木和电机利用——DIY吊车【转译】
一起来学一学吧

主要材料

坏掉的电动电位器 L298N的电机驱动板
继电器

所需工具

剪刀

制作步骤

  • 第1步:

    【Arduino】废旧积木和电机利用——DIY吊车【转译】

    这是我从坏掉的电动电位器,拆出来的,在一些功放中是可以看见它的身影,而且它的力量很大,用来做吊车是极好的

  • 第2步:

    【Arduino】废旧积木和电机利用——DIY吊车【转译】

     

  • 第3步:

    【Arduino】废旧积木和电机利用——DIY吊车【转译】

    下面的电机还是拆到,是从死掉的玩具中挖出来的,还可以,就是噪音有点大。

  • 第4步:

    【Arduino】废旧积木和电机利用——DIY吊车【转译】

     

  • 第5步:

    【Arduino】废旧积木和电机利用——DIY吊车【转译】

     

  • 第6步:

    【Arduino】废旧积木和电机利用——DIY吊车【转译】

    这次的吊车的控制器我要用Arduino,和一块L298N的电机驱动板

  • 第7步:

    【Arduino】废旧积木和电机利用——DIY吊车【转译】

    还有简图,我自己画的,渣渣的画工,不过清楚

  • 第8步:

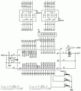
    【Arduino】废旧积木和电机利用——DIY吊车【转译】

    放上我测试时的电路图,程序

  • 第9步:

    【Arduino】废旧积木和电机利用——DIY吊车【转译】

    下面是我自己做的继电器模版,这是电路图

  • 第10步:

    【Arduino】废旧积木和电机利用——DIY吊车【转译】

    一定要用面包板测试下

  • 第11步:

    【Arduino】废旧积木和电机利用——DIY吊车【转译】

    实践证明9013和8050都是可以的,发热不明显,然后就是焊接到一起

  • 第12步:

    【Arduino】废旧积木和电机利用——DIY吊车【转译】

     

  • 第13步:

    【Arduino】废旧积木和电机利用——DIY吊车【转译】

    上电测试一下,好幸运,一次成功。你一定发现我有两路的三极管,可别忘了我的电磁铁


(责任编辑:admin)
织梦二维码生成器
顶一下
(0)
0%
踩一下
(0)
0%
相关文章
------分隔线----------------------------
发表评论
请自觉遵守互联网相关的政策法规,严禁发布色情、暴力、反动的言论。
评价:
表情:
用户名: 验证码:点击我更换图片
栏目列表
推荐内容