|
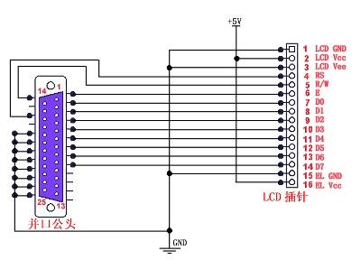
制作PC状态监测液晶屏的突破口就是电子市场中很常见的字符型液晶屏,优点有:规格众多,字符数从8×2到20×4一应俱全;价格低廉,20×4的不过40多元;结构简单,采用8位并行数据总线;技术成熟,全部采用日立HD47780兼容控制芯片;通用性强,不同厂商生产的液晶屏的16针接口几乎全部相同(至于为什么是“几乎”,后面会提到),大大地方便了我们的DIY。 现有几种DIY方案,其中使用串口和USB口的方案必须借助于额外的串并转换电路,也就必须自制印刷电路板,不大适合普通玩家。于是,我们的选择就只剩下了使用并口传输的那种,但是这对于使用并口打印机的朋友来说,算是一个不小的遗憾了。此外,受字库限制,这类字符型液晶屏无法显示中文也是难以解决的难题,不过好在用英文显示PC状态也是可以满足要求的。 材料的确定 方案确定之后,就该去置办材料了。 ![]() 图4:20×4的液晶屏 ![]() 图5:16×2的液晶屏 ![]() 1.液晶屏一块:推荐购买20×4(俗称2004)或16×2(俗称1602)的,因为出货量最大,价格比较合理。前者一般在45元左右,后者20元左右,注意选择带有背光和背光限流电阻的产品,最好索要图纸、问清管脚定义。 2.并口插接件一套:售价1元,包括25针公头(别买成母口的)和塑料外壳。 3.16针插接件一套:包括一套插针、插针帽和对应的插座,一次买40针一排只花两元左右。 4.线材:不少于12针的电缆,最好有屏蔽曾并良好接地,长度自定。 5.电源:选配件,想把液晶屏装进机箱的读者不用考虑电源,直接使用机箱电源中的5V供电。如果想把液晶做成升技“游戏魔眼”那样摆在桌面上,就要购买一个5V不小于200mA的电源(推荐用500mA的),因为并口只提供数据线而没有供电线,变压器方式或开关电源均可,都不会超过15元,需要注意的是应选择电压准确的产品,不要超过4.9~5.2V的范围。 6.相框:用于在桌面摆放液晶屏,价格2元,大小比较合适。 制作步骤 ![]() 图8:制作的电路图 配件买回来,就可以按照电路图进行焊接了。需要注意的是,液晶屏的16针接口的方形管脚代表1号脚。这时,问题出现了,虽然16针接口是通用的,但是不同厂家对于15和16这两个负责背光供电的管脚上定义不尽相同,有的是15正、16负,有的则刚好相反,所以在动手前应该先用5V电去试验一下15、16脚的实际情况。可以放心的是,如果这两个脚反接,一般不会烧坏元件,只是不亮而已。如果发现实际产品和电路图在这方面有出入,应该交换线路的正负极性。有的产品的背光限流电阻预留有两组位置,对应两种正负情况,动手能力强的朋友可以试着改变两个贴片电阻的位置,以达到交换极性的目的。 制作小提示 1.厂商提供的管脚定义图也不能尽信,笔者的液晶屏自带的图纸就标错了背光的极性。 2.负责LCD供电的第1、2脚的顺序绝对不能搞错,否则可能立即烧毁液晶屏控制电路。 电路的接法比较简单,并口的2~9针对应液晶的7~14针,是8位并行双向数据接口;并口的18~25这8根数据地线针连到一起再接到电源的地线;剩下3条控制线从并口的1、14、16对应的接到液晶屏的6(E:使能端)、5(R/W:读/写状态控制)、4(RS:数据/指令输入控制)。液晶和背光共用一套供电和地线分别接+5V和电源地线,液晶的3号脚Vee是显示对比度控制,接地表示取最大对比度,一般可以满足使用的要求。如果个别液晶屏发生字符过黑的情况,可以用500Ω电位器取0~5V之间的一个合适电压输入Vee,找到合适的对比度。 软硬兼施 方能“显示” ![]() 用于配合硬件的Smartie LCD的软件 ![]() Smartie LCD的软件可显示硬盘状态 ![]() Smartie LCD的软件可显示CPU等零件的温度、电压及转速 硬件制作完毕,没有软件的配合,是无法显示各种信息的。我们选择了这款叫Smartie LCD的软件(图九),是个免费软件,目前版本号为5.3。它功能强大,可显示CPU型号、频率、占用率、内存总数、剩余数、硬盘各分区的总空间和剩余空间、已开机时间、当前日期、时间、PC名称、当前用户名、Winamp当前曲目、码速率、播放时间、提示新邮件到达(可自设10个邮箱)、滚动显示新闻(各大英文新闻网站新闻)、网络游戏服务器状态、通过MBM5的函数接口监测CPU等零件温度和各风扇转速(可惜先要打开MBM5,占用了额外的系统资源)、还可以显示自定义的字符串,还具有闪烁、居中、滚动、换行等多种效果,可设定20屏的内容并可自定义清屏方式,极大地提高了液晶屏的可玩性 ![]() Smartie LCD的设置界面 安装时要先安装port95nt这个软件,重启后直接解压Smartie LCD到选定的目录,作为一个绿色软件,安装还是比较方便的。Smartie LCD的设置包括对硬件的设置和对内容的定制。其中硬件设置相对简单,需在右上角的LCD settings栏中选择合适的液晶屏字符数(16×2或20×4),并点选HD47780 Parallel项,硬件设置即告结束。 剩下的工作就是定制想要通过液晶屏显示的信息了,具体步骤是点中文本栏中的一行,删去原有内容,在左边的列表中选中需要的内容,点击“Insert→”,将该项添加至文本栏当中。设置完一屏之后,可以通过screen X的下拉列表选择屏幕数,设好所有内容后,可以把没有用到的屏幕的“Enabled”前面的勾去使该屏内容失效。注意有些函数是可以嵌套调用的,如CPU占用率可以表示成“$Right($CPUUsage%,$3%)%”,就是把“$CPUUsage%”这个函数嵌套到“$Right(ins variable(s) here,$3%)”这个函数内部,达到右对齐的目的,避免CPU占用率从两位数变为100%时,字符串发生移位。“$Flash(insert text here$)$”的作用是把嵌套在其内部的字符串或函数闪烁显示,以达到丰富显示效果的作用 (责任编辑:admin) |

























