|
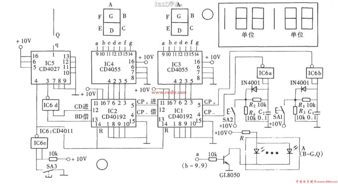
球赛计分表现屏电路如图所示。该电路由加、减计犯皲入电路,加、减分计分电路,计数译码表现电路和复位电路构成。
|
|
球赛计分表现屏电路如图所示。该电路由加、减计犯皲入电路,加、减分计分电路,计数译码表现电路和复位电路构成。
|
十年前,戴耳环还可能被视为叛逆的象征,现在不戴才更引人注目了吧。所以,怎么才能让...
出门的时候带手机又带公交卡口袋是不是很挤呢,如果拿手机凑上去逼的一下是不是很酷呢...
鉴于网络上没有完整的固态特斯拉线圈教程,所以我精心准备了这个贴子,现在大部分SSTC...
想建立自己的工作台可以参考我的这个帖子! http://bbs.mydigit.cn/read.php?tid=8968...
前言:无线电遥控器和红外遥控器大家都熟悉,它们只能近距离的进行操作,如何在办公室...
现在的加湿器都是功能单一,能不能设计一个简单的比较好玩而又有动感的加湿器,在完成...
自制半导体制冷小冰箱
更新:2017-07-06
DIY个400G双泵自吸无桶超滤RO一
更新:2017-07-09
两台空调移机,花了700块钱都没
更新:2017-06-21
做工精致的彩色镜中无限隧道
更新:2017-07-04