课题任务:
1. 由晶振电路产生1HZ标准秒信号
2. 秒、分为六十进制计数器。
3. 时为二十四进制计数器。
4. 准确计时,以数字形式显示时、分、秒。
5. 具有整点报时功能,整点前鸣叫五次低音(500HZ),整点时再鸣叫一次高音(1000HZ)。
参考器件:CD4060、74LS161、74LS248J、晶振、开关、喇叭、阻容元件及门电路等。
设计要求:
2、进行总体方案设计与论证,画框图;
3、进行单元电路的设计;
4、元器件选择与参数计算;
5、用四号图纸绘制原理图;
6、撰写设计说明书,字数不得少于2500字;
参考文献。
数字电路的课程设计,那学期开学我就一直期待了,我喜欢电子制作,更何况这与学习牵上了,
就像小时候等待放假过年一样,终于等到了它的到来。我欣喜若狂,打算两周之内要把实物做出来。
第一周开始找资料设计电路图,74LS161为常用的4位同步二进制加计数器,并且还具有并行数据的同步预置功能。
多个74LS161可以实现无限进制计数,由74LS161组成的60进制及24进制制作的数字电子钟必须另加数码管译码器。
由于我以前用过CD40110这块芯片,所以很快就想到了它,40110是十进制加减计数/译码/锁存/驱动集成一体的CMOS芯片,
输出电流驱动能力大,可以直接接数码管显示。
两者比较,同样的功能74LS161使用的芯片就多于40110。
CD40110逻辑功能如下:


第一周里,我把自己设计的电路经过一些单元模块的调试,都成功了,马上购买元件,不得不用了快递,
元件邮递过来的期间开始画PCB板,并制作电路板,元件到时就可以安装了。装好后电路存在许多问题,
我两天两夜没有睡觉,就呆在实验室调试,就剩2天了,一些小问题仍没有解决,但必须得开始写论文了。
我又到图书馆查找芯片的具体资料,论文根据自己的制作一个一个字往上打的,总共附有20张图片和框图,
都是自己画的。还高兴的把自己做的实物照片与PCB板图附上了,那时候班上没有几个会使用Protel 的。
以为至少也那个“良”的成绩吧。 直到查了成绩的那刻,我对老师真的很失望……不知道他们有阅读过论文没有。
而别人仅仅是复制网上的就拿了优秀!付出了努力,却没有得到肯定,真的很伤心,但我对电子的爱好不会减少!继续努力吧!
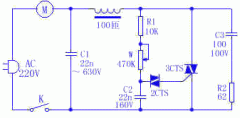
总体电路图如下:






















