|
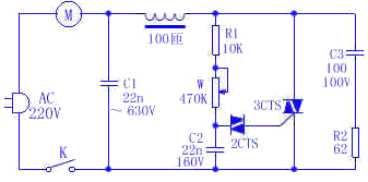
用于220V单相交流电机的电子调速器,采用常见的双向可控硅调压方式调节交流电机的工作电压。 电路中的电感;电容C1、C3;电阻R2共同组成干扰抑制电路。
C1、C2=0.022微法 电路中元件的取值注意其工作电压 (责任编辑:admin) |
|
用于220V单相交流电机的电子调速器,采用常见的双向可控硅调压方式调节交流电机的工作电压。 电路中的电感;电容C1、C3;电阻R2共同组成干扰抑制电路。
C1、C2=0.022微法 电路中元件的取值注意其工作电压 (责任编辑:admin) |
十年前,戴耳环还可能被视为叛逆的象征,现在不戴才更引人注目了吧。所以,怎么才能让...
出门的时候带手机又带公交卡口袋是不是很挤呢,如果拿手机凑上去逼的一下是不是很酷呢...
鉴于网络上没有完整的固态特斯拉线圈教程,所以我精心准备了这个贴子,现在大部分SSTC...
想建立自己的工作台可以参考我的这个帖子! http://bbs.mydigit.cn/read.php?tid=8968...
前言:无线电遥控器和红外遥控器大家都熟悉,它们只能近距离的进行操作,如何在办公室...
现在的加湿器都是功能单一,能不能设计一个简单的比较好玩而又有动感的加湿器,在完成...
用ESP8266改造LM8562数字钟互联
更新:2017-05-27
DIY :让镍氢电池剃须刀,用智能
更新:2015-06-28
夏天太热,DIY空调清凉一夏!
更新:2017-06-18
哥俩好硅桐胶新用途 我发明的
更新:2017-07-02