|
之前因为早上迟到被罚了50个起蹲 于是有了这个......
材料: 大件
电子闹钟*1 大电流继电器*1 汽车喇叭*1(我用的是蜗牛喇叭) 11.1v锂电*1 一路无线模块*1
小件
洞洞板 ss8050*2 电容4.7uf 16v以上*1 T插*1 开关 导线 自攻丝 插簧 吸锡带
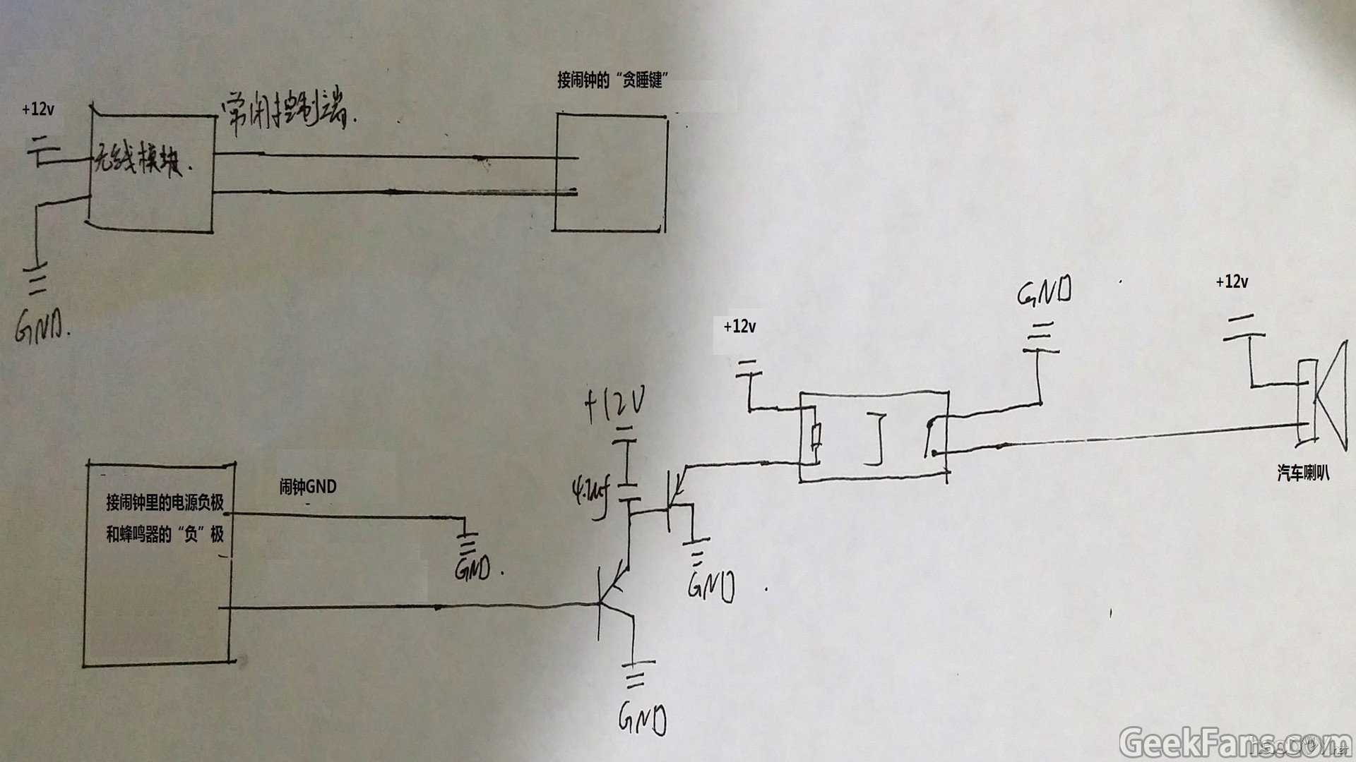
功能:把电子钟的蜂鸣器换成汽车喇叭,不解释了 为什么要用无线模块,这闹钟你肯定不可能放在床头 应该放在远一点的地方 但这样你就没法顺手关它了 所以加个无线模块来关掉闹钟(按下“贪睡”键)
从此不再被吵醒,而是被吓醒 ps:怎么都感觉有点邪恶
上视频先:
视频里录下的音感觉不怎么样 实际嘛 就是和汽车一个样
以下是制作过程:
把闹钟拆开
在外壳上用螺丝装两个底座
下面是我测试驱动电路时的照片
电路图 (一般电子闹钟的蜂鸣器 一端接电源正 另一端用低电平控制蜂鸣器 所以在这里只需引出闹钟电源的负极和接蜂鸣器的“负极”的一端)
下面把喇叭先装到一块木板上
接下来把闹钟里的线引出去固定到木板上(我在木板上钻了四个孔直接用塑料绑扎带固定)
焊板 (这里用到大电流的地方我用吸锡带引了过去 焊继电器时可以把插簧戴上 放到板上合适位置然后按“贴片”的方式焊上去(我用的是双面板))
T插和开关也是“贴片”上去的 把闹钟和板按电路图连起来 装到木板上 之后我在木板上弄了两个条形的洞 好用魔术贴把电池绑上去 完成后:
体积很小...一个手掌就可以抓住底座 (责任编辑:admin) |




































