|
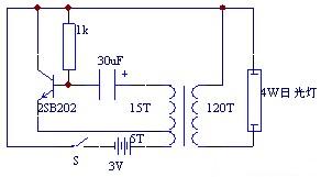
该电路用3V电池供电,用一个晶体管构成振荡电路把直流酿成交换,变压器行使E30型铁氧体磁心,原线圈用直径0.4mm漆包线,副线圈用直径0.1mm漆包线。驱动4W手提式日光灯,行使很利便。
|
|
该电路用3V电池供电,用一个晶体管构成振荡电路把直流酿成交换,变压器行使E30型铁氧体磁心,原线圈用直径0.4mm漆包线,副线圈用直径0.1mm漆包线。驱动4W手提式日光灯,行使很利便。
|
十年前,戴耳环还可能被视为叛逆的象征,现在不戴才更引人注目了吧。所以,怎么才能让...
出门的时候带手机又带公交卡口袋是不是很挤呢,如果拿手机凑上去逼的一下是不是很酷呢...
鉴于网络上没有完整的固态特斯拉线圈教程,所以我精心准备了这个贴子,现在大部分SSTC...
想建立自己的工作台可以参考我的这个帖子! http://bbs.mydigit.cn/read.php?tid=8968...
前言:无线电遥控器和红外遥控器大家都熟悉,它们只能近距离的进行操作,如何在办公室...
现在的加湿器都是功能单一,能不能设计一个简单的比较好玩而又有动感的加湿器,在完成...
黑武士TFT数控板安装操作详细介
更新:2017-07-02
DIY了一个紫外线消毒灯
更新:2014-10-09
自制柔光棚!拍出高大上的手作图
更新:2017-11-05
首台自制半导体制冷片冰箱
更新:2014-11-26