老师:这个电路是由三个多谐振荡器组成的。上次大家已经组装过三极管多谐振荡器,哪位同学还能记得多谐振荡器的原理和电路功能?
同学:多谐振荡器是由两个三极管反相器及电阻-电容充放电电路组成的。随着电容器的充电和放电,两只三极管交替地饱和与截止,使两管的集电极周期性地在高电位和低电位之间交替转换,输出连续的矩形脉冲。所以,多谐振荡器是一种矩形脉冲产生电路。
老师:回答得很好。非门(反相器)也是起开关作用的,所以用两个非门外接RC充放电电路也能组成多谐振荡器,现在我们画出它的电原理图(图8)。当电源接通瞬间,如果D1的输入端A点为低电平“0”,则D1的输出端B点为高电平“1”,经D2反相,其输出端E点为低电平“0”,电路处于暂稳状态。下一步请同学们继续分析。
同学:根据您上次讲过的脉冲电路的分析方法,由于电路中有电容C,而B点为高电平,E点为低电平,所以将有一个充电电流由B点经过R2向电容C充电。随着充电过程的进行,D点电位逐渐升高,A点电位也随之上升,经过一定的时间,UA达到非门的开门电平UTR时,D1的输出变成低电平“0”,D2的输出变成高电平“1”。
老师:是这样。电路状态翻转后,B点变成低电平,E点变成高电平,这时候,电容器C就要通过R2放电,然后再反方向充电,使D1输入端A点电位逐渐下降,直到UA<UTR时,电路状态又发生翻转,回到起始的暂稳状态。这以后电路不断重复以上的过程,产生周期性的振荡,在E点输出连续的矩形脉冲。
同学:既然是振荡器,电路的振荡频率由什么决定呢?
老师:振荡频率主要由电阻R2和电容C的大小决定,与电阻R1也有一定关系。如果取R1=2R2(图8),振荡频率近似为f=1/(1.5R2C)
同学:这种多谐振荡器也可以直接带动发光二极管闪光吗?
老师:可以直接带动一个发光二极管闪光(图8虚线支路)。
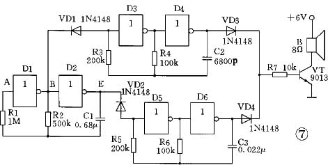
同学:现在我对由非门组成的多谐振荡器的工作原理已经清楚了。在仿警笛发生器电路(图7)里,三个多谐振荡器的振荡频率我分别计算了一下,左边的约为2Hz,右上边的为1kHz,右下边的约为330Hz,您看对吗?
老师:你计算的结果都对。由D3与D4组成的振荡器频率比较高,D5与D6组成的振荡器频率比较低,如果它们交替地工作去推动扬声器,就会发出“嘀—、嘟—”模拟警笛的双声音响。我再问问你们,由D1和D2组成的超低频振荡器在电路里起什么作用呢?
同学:从电路图(图7)上看,D1的输出端B通过二极管VD1接高音振荡器,D2的输出端E通过二极管VD2接低音振荡器。D1和D2组成的2Hz超低频振荡器在振荡时,B点和E点在低电平和高电平之间交替转换,0.5s转换一次。当B点为低电平时,E点肯定是高电平,这时VD1导通,D3的输入端被钳位在低电平上,高音振荡器不能启振;VD2截止,低音振荡器开始振荡。当B点变为高电平时,E点变为低电平,VD1截止,高音振荡器工作;VD2导通,低音振荡器停振。这样,超低频振荡器控制高、低音两个振荡器交替工作,使扬声器发出“嘀—、嘟—”仿警笛声响。
老师:很好。你们只要肯动脑筋,不断学习和实践,就能逐步掌握脉冲数字电路的分析方法。大家还有什么问题吗?
同学:请问您非门多谐振荡器(图8)的电阻R1起什么作用呢?
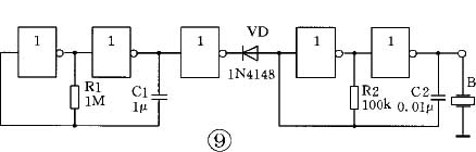
老师:R1叫补偿电阻,它是用来改善由于电源电压波动所引起的振荡频率的不稳定。在对频率稳定度要求不高的场合,R1也可以不用。我再给大家画一个简单电子门铃电路(图9),有兴趣的同学可以自己分析与制作。
(宋东生)
|























