|
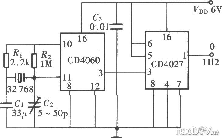
1Hz时钟信号源电路
(责任编辑:admin) |
|
1Hz时钟信号源电路
(责任编辑:admin) |
摘要:这款Led罐头灯用一种唯美的方式照亮你的庭院或露营场地,充满才气的设计使得led...
坛友说,现在的读卡器一摔就坏,且很多都是晶振摔坏了,这不,TF读卡器又坏了一个,拆...
最近手痒,总想做点啥,但是,屌丝又不想花钱,正好公司采购了几台电脑,箱子盒子一大...
本帖最后由 gaochongjun1 于 2014-2-7 14:29 编辑 电子钟大家肯定比较熟悉,从各大超...
首先祝DIY大赛圆满成功,祝矿石收音机论坛所有管理员.版主.会员,新年快乐,万事如意...
LED音乐频谱显示,增加了自动增益控制和浮点跳动显示,蓝色插件LED,非常酷,14段频率...
给9块8包邮的手电D个伪实芯仓 成
更新:2017-07-09
『MM DIY』一堆鸡肋的东西组合成
更新:2017-05-17
【斜口钳】论坛的朋友送的板子,
更新:2017-06-24
制作3x3x3 的led cube光立方(参
更新:2013-01-19