|
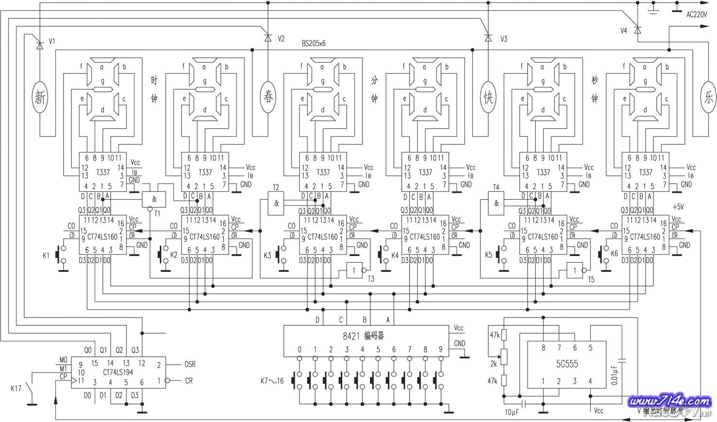
笔者在解说中,计划了一套解说尝试用“电子钟”电路。此线路包罗七段数码表现器BS205和轮回彩灯电路,尝试表现活跃风趣,各部门道理简朴,相宜门生直接调查“编码器”、“译码器”、“寄存器”、“计数器”等逻辑电路的事变道理。假如将其与尝试室专用的电子器件插件配用,不消焊接即可引导门生自由组合和拆卸。各部门可以单独或配套演示,稍作改造便可作为室内的装饰钟(用较大型壁挂式七段数码表现器代替BS205),譬喻四个轮回灯可为“新春快乐”,“开业大吉”等字符。电路如附图所示,事变道理如下。
一、译码表现部门
七段表现器为共阴极数码管BS205,完成0至9的表现。T>7为七段译码集成电路,该电路的浸染是将ABCD端输入的0至1001的二进制数翻译为0至9的十进制数码,送给BS205表现。
二、计数部门
CT74LS160为十进制计数器,当LD=1时举办十进制计数;当LD=0时,完成预置数码成果。用于“秒钟、分钟、时钟”的个位计数时,不需作任何改造。但用于“秒钟、分钟”的十位计数时,必需逢“6”(即0110)进1且清零。在电路中,用“与门”T2和T4完成逢“6”(即0110)进1,再用“非门”T3和T5完成逢“6”(即0110)清零。用于“时钟”计数时,必需逢“24”(即0010 0100)清零,电路顶用“与非门”T1完成。
三、时刻配置(预置)
当CT74LS160上的LD=0时,处于预置状态,8421编码器将0至9(由开关K7~K16实现)的十进制数编码为二进制数作为CT74LS160计数器的预置数。
四、计数脉冲的发生
附图中的555按时器构成计数脉冲振荡器,按附图中外围元件参数,振荡周期T=1秒,正好用作秒钟计数。
五、轮回灯道理
L1、L2、L3、L4为四个交换220V灯箱,构成轮回灯负载。V1、V2、V3、V4为四个晶闸管,构成四个灯箱的开关器件。CT74LS194为四位二进制寄存器。当M1和M0为1时,处于并行输入状态,此时若输入脉冲,则得D0D1D2D3=1000,Q0Q1Q2Q3=1000。再将M1接地(闭合K18),即M1=0,寄存器处于右移输入状态,在输出端1000中的高电平“1”从左到右形成轮回。此电路的节制脉冲是周期为1秒的计时脉冲,以是彩灯的闪烁时距离断为1秒。
电路中Vcc均用5V直流电源。电路及开关看起来繁琐,恰好对门生做局部试验最有辅佐。

-

-
4四位单片机led数字数码电子钟时钟 电子diy制作 pcb套件散件成品
(责任编辑:admin) |