|
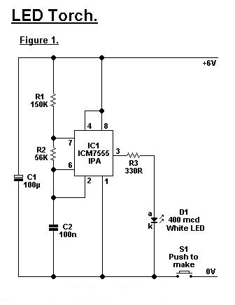
一样平常的小手电筒凡是存在的题目是电池寿命太短。据统计,平凡的手电筒耗电量约莫在为2瓦。如图所示的LED手电筒所耗损的电量仅仅只有24mW,4节5号碱性电池可提供高出80次的处事(这意味着,可一连行使1个月)尽量这个手电筒的亮度很有限, 但用于平凡行路时照明用是足够的了。 LED手电筒的焦点是一个7555时基集成电路(不能行使平凡的555)。一个白色的发光二极管(假如你找不到,只能用此外颜色取代)事变时发出的亮度约莫为400mcd,这样当聚焦时,可照亮30米远的物体。 聚焦的步伐是在LED的前面安装一个短焦距的聚焦透镜。 假如你但愿行使其他的电压值,电阻R3的值必需修改:9V - 470欧 12V - 560欧
(责任编辑:admin) |




















