这段时间咋搞的音柱无人问津了,上几张图添点柴火把音柱烧烧旺![]()
这个开孔用的开孔器
这个合金钢磨头,装到修边机上就可以扩喇叭孔了。 ![]() 音柱用的喇叭,一边36个共72只。 ![]() 箱体外表打算贴木皮再上高光喷漆。 先箱体、木皮刷上白胶
接下来等个5、6分钟,看上去白胶要干的干的样子 把两者合起来,先用手抹平镇,不能有皱着,不行的话再把木皮慢慢泶起来,重新调整,直到平整无褶子。 然后运斗烫平就OK了,很方便吧 ![]()
多余的边料用美工刀切除,注意要由上往下切。
![]() 箱体外装饰考虑,前后搞成黑的,侧面枫木皮本色。 喷好的前后板
#p#分页标题#e#
装喇叭,先贴上泡沫垫
按喇叭
正面效果 ![]() 喇叭在面板上安好的样子
正面的摸样
接线所用的材料
接线有两种方案:1)输入-6并-串联-6并-串联-6并-串联-6并-串联-6并-串联-6并-输出 2)输入-6串--并联-6串--并联-6串--并联-6串--并联-6串--并联-6串-输出 最终阻抗均8欧,我选择方案1)。 用功放推不是问题,关键是能否好声。我有200W的晶体管,喇叭刚到手时,为了试试效果拿了2个按在玻璃杯口上,试了试300B有点推不动。后来改用平衡前后级推,哇!效果真的不可想象,音场非常宏大,像是从6寸半里出来的声音,低音也不错160Hz声音很清晰。 线接好的样子,是用先并联再串联的方法。 ![]() 上个我现在用的专业数字处理器,功能强大,有31档EQ功能、30Hz~10khz的电子分频功能、相位延迟功能等多很管用。
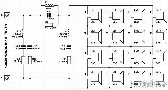
再贴点国外网友成功案例的部分内容: 全频的惠威B3S
惠威B3S音柱频响调整电路
惠威的B3S与B2除了b3s低音向下延伸点外,其余基本相似,故有很好的参考意义! 可否,在此与各位共同探讨 这几天,是梅雨季节,天天下雨,没办法还有的油漆未做完,只能等天好后做完油漆再总装。 另外,今天空闲时研究了音柱的接法,这是许多人关心的问题,到底是先并后串好;还是先串后并好。 上两个模拟计算图:图中的R1~R16为喇叭的阻抗,计算后得到两种喇叭功率分配结果,大家可以对比各个喇叭在不同的接法电路中的功率大小,相互之间功率的差额,及同等于喇叭的响度。对比的目的,通过不同的接法提高喇叭的一致性。此分析是否可行正确,请大家多多探讨!
![]() ![]()
![]() ![]() 图片是逆光拍的,所以细节可能不太清楚。箱体很重的底板下有减震钉转动不方便。看不清的地方,我说一下,后面板是用自攻螺丝固定的,螺丝 的顶面喷过黑色,所以不太显眼,间距是15公分。 总的来讲声音很好,特别是人声及大动态表现很棒,声音非常大,定位是音柱的强项很棒。缺点:高音的细腻度差了点,可能与单元有关。现正在学着搞SIA Smaart软件进行测试调整,到时再上图,看看效果。 (责任编辑:admin) |


















#p#分页标题#e#

































