|
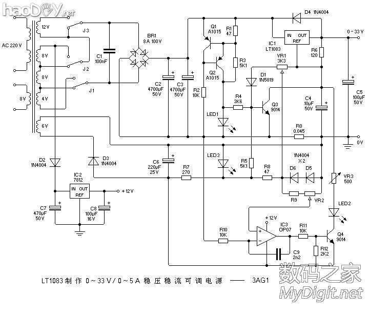
打磨厚铁皮,对电磨的磨砂头非常消耗 先按照画好的线,打孔,再磨掉方框内部,最后打磨方框边缘 钻孔以后 ![]() 把面板主要部件安装完成的大致样子 ![]() 先对表头做个测试,电压显示还是蛮准的,电流显示误差稍大,不过用来参考足够了 ![]() 面板外面,在打磨得时候,不小心把脸给磨花了,加上了一片白塑料,看上去美观一些了 ![]() 继续改进, 整理两个数码显示的接线 ![]() ![]() 增加了挺漂亮的支脚 ![]() ![]() ![]() 接好线以后,通电看看,结果发现短路了,手疾眼快,赶快断电 原来,电流表的负极不可以和电压表的负极共地,否则短路, 还好没有把电流表给烧掉了 看来只好给电流表单独制作一路独立的供电了 恰好,变压器上面有一组5.3V输出的独立绕组,可以考虑使用7805稳压电路,提供5V供电给电流表 在夹缝中,找到一块可用的空间,做了一个小电路板,可以合适放进去 ![]() 找了几个元件,实现5V稳压输出 ![]() 整流桥没经过测试,结果是个坏的,后来直接用一个二极管做个半波整流,小电流下,足够了,还可以少些压降 ![]() 电路板背面 ![]() 把板子装进去,一点都不碍事 ![]() 这回通电看看 ![]() 很不错,两个表都亮起来了 ![]() 继续制作,这次的电源,需要一个3K欧姆左右的电位器,但手头只有10K的电位器,只能想办法凑一个出来,用了并联两个2.2K欧姆的小可调电位器。来比较准确的组成这个调压电位器,另外还串联一个220欧姆的小电位器,作为微调电压用途 ![]() ![]() ![]() ![]() 另外还制作的电源输出的插头,原来的塑料插头,外皮塑料比较软,稍用力特别容易开,最后想办法搞了一个铁架子来固定插头,外包了几曾热缩管加强,非常结实 ![]() ![]() ![]() 插头和插座接触比较紧,拔插的时候要按住电源机壳,后来灵机一动,不如给电源加一个把手 找了一个不锈钢条,猜猜这个不锈钢条以前用在哪里? ![]() ![]() ![]() 新买的攻丝的工具,这回也用一次,效果很不错哦 ![]() 加上不锈钢把手,感觉不错,可以防止电位器被碰坏,还可以拉把手用力 ![]() ![]() 开始制作电路板了,最后根据手头的元件,还是选了一个比较复杂一点的电路图,网上找到的, 电路板一次焊接调试成功 网上找的电路图(LT1083制作0~33V稳压电源电路图)去掉了恒流部分,因为找不到运放芯片 ![]() 电路板完成,正面 ![]() 有几个电阻,都是拼凑出来的,或串,或并,都是拆机的元件,恰好的阻值不好找啊 ![]() 背面,焊接工艺一般,将就看 ![]() 连接线路进行测试 ![]() 一次点亮,幸福啊 ![]() 电路板上有两个LED发光二极管,用来做稳压的 ![]() 关灯看看,哈哈,两支猫眼 ![]() ![]() 测试过程中,发现7V供电的新片,比较热,原因是当使用高电压档位的时候,很大的电压加在稳压芯片7807上面,造成功耗过大,考虑给7807芯片多增加一点散热片,由于空间限制,在电脑主板上找了一个北桥散热片,厚度刚好,就是有点宽了,要裁下一块 要增加的散热片 ![]() 稳压芯片,移动到旁边,给散热片腾格地方 ![]() 裁开了 ![]() 打孔,进行安装试验 ![]() 正式安装前,加上导热胶 ![]() 安装以后的效果 ![]() 厚度刚好不影响外壳 ![]() (责任编辑:admin) |





























































