最好的电子音响科技diy制作网站

haoDIY_音响电子电脑科技DIY小制作发明

当前位置: 主页 > 电子DIY > 电源DIY > 稳压电源 >

1.2V-20V实用可调直流稳压电源

时间:2013-03-21 16:34来源:www.crystalradio.cn 作者:tyf3792 点击:
总想有一个趁手的可调电源,可惜市面的可调电源质优的昂贵,廉价的劣质。所谓求人不如求己,翻资料,找图纸设计电路。 也准备在矿石收音机论坛第三届DIY大赛举行之际,一显身手,顺便将我的快乐发给大家分享。 我的一贯设计理念是:电路简单明了,易于推广。
总想有一个趁手的可调电源,可惜市面的可调电源质优的昂贵,廉价的劣质。所谓求人不如求己,翻资料,找图纸设计电路。
也准备在矿石收音机论坛第三届DIY大赛举行之际,一显身手,顺便将我的快乐发给大家分享。
     我的一贯设计理念是:电路简单明了,易于推广。尽量使用通用元件,易于维修。
我设计这个可调电源主要自用,主要考虑了以下几个问题。
1、机壳是塑料的,安全工作温度不能太高。2、效率不能太低,DC-DC正好。3、布局工整,维修方便。                   
4、指针表简单可靠,布线方便。   5、1.2-20V、2A基本就够用了。   6、外接笔记本电源。

主要工具:尖嘴钳,螺丝刀,电烙铁,锉刀N支。

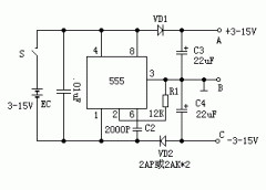
第一张原理图
1.2V-20V实用可调直流稳压电源 
第二张PCB底图
1.2V-20V实用可调直流稳压电源 
第三张PCB正面
1.2V-20V实用可调直流稳压电源 
第四张开孔很费劲,求掌声!哈哈
1.2V-20V实用可调直流稳压电源 
第五张安装后的面板
1.2V-20V实用可调直流稳压电源 
第六张内部布局 (责任编辑:admin)
织梦二维码生成器
顶一下
(3)
75%
踩一下
(1)
25%
------分隔线----------------------------
发表评论
请自觉遵守互联网相关的政策法规,严禁发布色情、暴力、反动的言论。
评价:
表情:
用户名: 验证码:点击我更换图片
栏目列表
推荐内容