最好的电子音响科技diy制作网站

haoDIY_音响电子电脑科技DIY小制作发明

当前位置: 主页 > 电子DIY > 电源DIY > 稳压电源 >

制作带限流保护的1.25~27V可调稳压电源(LM723)

时间:2013-01-05 16:04来源:网络 作者:网络整理 点击:
免费提供各种电子制作文章、资料、图纸

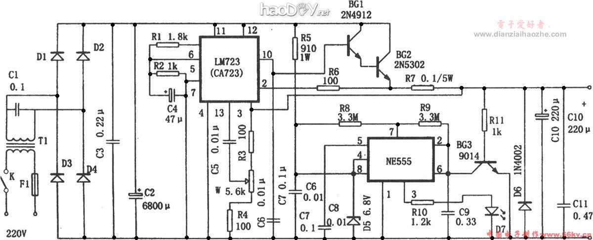
1.25~27V的可调稳压电源电路回收高精度集成稳压芯片LM723构成,其它增进由NE555组成的短路指示电路。本稳压电源有如下特点:

(1)输出电压在1.25~27V范畴内持续可调。
(2)具有限流掩护成果,当负载电流≥6.5A时,LM723 内部限流电路启动,从而掩护稳压电源。
(3)输出电压不变,负载电流0~4.5A范畴内,输出电压变革≤0.03V。
(4)具有短路指示成果。用NE555时基电路组成短路指示振荡器,在输出电压存在时,555不振荡,LED常亮,当无输出电压(输出端短路)时,555发生振荡,LED以0.5~1Hz的频率闪烁。

以下是1.25~27V可调稳压电源的电路图

 

制作带限流保护的1.25~27V可调稳压电源(LM723)

 

 

(责任编辑:admin)
织梦二维码生成器
顶一下
(0)
0%
踩一下
(1)
100%
------分隔线----------------------------
发表评论
请自觉遵守互联网相关的政策法规,严禁发布色情、暴力、反动的言论。
评价:
表情:
用户名: 验证码:点击我更换图片
栏目列表
推荐内容