最好的电子音响科技diy制作网站

haoDIY_音响电子电脑科技DIY小制作发明

当前位置: 主页 > 电子DIY > 电源DIY > 稳压电源 >

Tl431作大功率可调稳压电源

时间:2012-09-03 15:59来源:未知 作者:admin 点击:
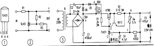
精密电压基准ICT1431是TO92封装如图1所示。其性能是输出电匝连续可调达36V,工作电流范围宽达 0.1100mA,动态电阻典型值为0.22欧,输出杂波低。图2是TL431的典型应用,其中③、②脚两端输出电压 V=2.5(R2十R3)V/R3。如果改变R2的阻值大小,就可以改变输出基
精密电压基准IC T1431是TO—92封装如图1所示。其性能是输出电匝连续可调达36V,工作电流范围宽达
0.1—100mA,动态电阻典型值为0.22欧,输出杂波低。图2是TL431的典型应用,其中③、②脚两端输出电压
V=2.5(R2十R3)V/R3。如果改变R2的阻值大小,就可以改变输出基准点压大小。图3是利用它作电压基准和驱动外加场效应管K790作调整管构成的输出电流大(约6A)、电路简单、安全的稳压电源。

工作原理 如图3所示,220V电压经变压器B降压、D1--D4整流、C1滤波,此外D5、D6、C2、C3组成倍压电路(使得Vdt;60V),Rw、R3组成分压电路,TL43l、R1组成取样放大电路,9013、R2组成限流保护电路,场场效应管K790作调整管(可直接并联使用)以及C5是输出滤波器电路等

稳压过程是:当输出电压降低时,f点电位降低,经TL431内部放大使e点电压增高,经K790调整后,b点电位升高;反之,当输出电压增高时,f点电位升高,e点电位降低,经K790调整后,b点电位降低。从而使输出电压稳定。当输出电流大于6A时,三极管9013处于截止,使输出电流被限制在6A以内,从而达到限流的目的。本电路除电阻R1选用2W、R2选用5W外,其它元件无特殊要求,其元件参数如图3所示。

Tl431作大功率可调稳压电源 (责任编辑:admin)
织梦二维码生成器
顶一下
(0)
0%
踩一下
(0)
0%
------分隔线----------------------------
发表评论
请自觉遵守互联网相关的政策法规,严禁发布色情、暴力、反动的言论。
评价:
表情:
用户名: 验证码:点击我更换图片
栏目列表
推荐内容