最好的电子音响科技diy制作网站

haoDIY_音响电子电脑科技DIY小制作发明

当前位置: 主页 > 电子DIY > 电源DIY > 稳压电源 >

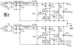
电源滤波器的自制方法

时间:2012-09-02 12:29来源:未知 作者:admin 点击:
进口TDK铁氧体 滤波 磁环 滤波 器 发烧音频音响电源信号净化抗干扰 1.00 已售: 60 件 评论( 11 ) 台产电源 滤波 器 品字三3插座 发烧音响净化emi电感 滤波 器 10A 220V 4.50 已售: 26 件 评论( 34 )
织梦二维码生成器
顶一下
(6)
85.7%
踩一下
(1)
14.3%
------分隔线----------------------------
发表评论
请自觉遵守互联网相关的政策法规,严禁发布色情、暴力、反动的言论。
评价:
表情:
用户名: 验证码:点击我更换图片