|
老公有个朋友是开手机店的。关系很好,昨天说修手机用的电源坏了,问我能不能看看。 电源开机电压就满表,无法调整。拆了看看吧。
大致查了下,调整管短路。找了个新的换上去,好了。不过,问题来了,输出短路以后本来应该保护的。但是,换完的调整管又被击穿了。于是我又换了一个上去。短路输出,又穿了。。。看来问题不只是调整管短路啊。
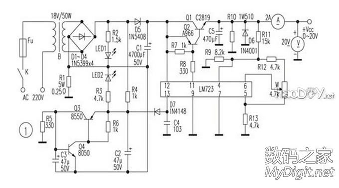
LM723N,保护部分不工作,导致短路就烧调整管。。。
变压器个头不小。20V2A。 咿,我相中你了。咋办?
功率管。
拆干净先。
附一张LM723N实验电源的图。
手里没有LM732N,只能想别的办法了。不过,手里317倒是一堆。于是琢磨了一个带短路保护的317调压方案。 图上9014是防止电位器接触不良电压飙升的。9013和继电器负责短路保护动作。 ![]() 洞洞板焊了两块。 ![]() 试了一下,挺好用的。 ![]() 装回原来的壳里。黑色的是变压器。18V1A的。反正修手机也用不到那么大电流,所以20V2A那个 ![]() ![]() ![]() 把317用绝缘片和硅脂固定在机壳上。 ![]() 以前帮人家修东西总是还得搭点什么。这次偷偷的赚了 ![]() ![]() (责任编辑:admin) |
































