最好的电子音响科技diy制作网站

haoDIY_音响电子电脑科技DIY小制作发明

【参赛】玩丙类,不发射,DIY高频无极灯

时间:2017-08-10 15:44来源:www.crystalradio.cn 作者:yuying 点击:
【参赛】玩丙类,不发射,DIY高频无极灯 ,矿石收音机论坛
市场上有一种高频无极灯,与LED并称为第四代电光源。工作在2.3~3MHz非通信频段。据说此灯靠线圈产生的高频磁场引起气体放电,产生紫外线激发荧光粉发光,由于没有电极,寿命很长。
    我很怀疑这种说法,根据常识:
    1.气体放电的条件是要有足够强的电场而非磁场;
    2.高频磁场产生足够强电场的条件是形成空间谐振腔,对于尺寸小于百分之一波长的灯是不可能的;
    3.因此高频无极灯不可能没有电极,灯的光效和寿命还是要受电极制约。
    于是就想DIY一个高频无极灯验证一下。
    市场上高频无极灯产品线圈在灯管的凹洞中,增减圈数不便。我改用日光灯管,线圈绕在灯管上。
    频率选用2.65MHz,高频功率30W。市场上高频无极灯产品用场效应管开关产生,优点是寿命长,缺点是开关电路谐波干扰大抗过载能力差需要复杂的保护电路。如用电子管丙类振荡,优点是比开关电路谐波干扰小抗过载能力强不需要保护电路,缺点是寿命只有几百小时。
    我一直想玩一下丙类。一个甲类只能输出几瓦的电子管丙类却能输出几十瓦,确有吸引力。
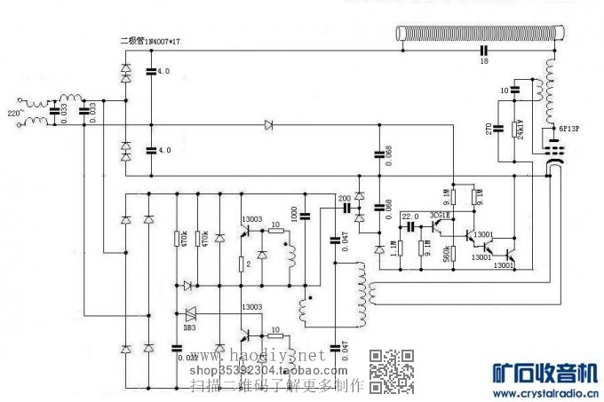
    电子管选用6P13P接成三极管,屏极+帘栅极最大耗散18W,丙类屏极效率>70%,输出30W屏耗13W,还有5W余量。
    市电入口设置电磁干扰滤波器,防止干扰其他用电设备。
    6P13P灯丝用节能灯电子镇流器改制的电子变压器供电。高压用220V市电倍压整流取得。
    为了保护阴极,上电时用单稳态电路给栅极加-200V固定偏压使6P13P截止,延时半分钟后撤去偏压使6P13P导通起振。起振后栅偏压由栅流流过栅极电阻产生。
    利用高频变压器正反馈产生振荡,频率主要由高频变压器初级电感和6P13P输出电容确定,以2.65MHz为目标增减圈数调频率。
    6P13P输出电容和灯管线圈及其并联电容以及高频变压器初级构成π型谐振网络,灯管线圈圈数在很宽范围变化时,只须改变并联电容即可保持谐振。
    开始灯管线圈圈数为均匀绕416圈,并联电容如图为18p时谐振,电压200V,屏极输入43W。
    然后改为均匀绕270圈,调并联电容使之谐振,测电压仍为200V,屏极输入灯光亮度都没什么变化。
    然后改为均匀绕135圈,调电容谐振时测电压还是200V,屏极输入灯光亮度都没什么变化。
    最后改为均匀绕67圈,谐振时灯亮,电压200V,几分钟后熄灭,电压>200V。
    灯亮时灯管线圈电压保持200V,电流反比于线圈电感,即反比于线圈圈数的平方。磁场强度正比于电流*圈数,即反比于线圈圈数。
    也就是说,圈数愈少,磁场强度愈大,67圈时磁场强度远大于几百圈时,却反而维持不住放电。
    显然,灯管放电不是由磁场而是由电场维持的,产生电场的电极就是线圈两端。
    灯管中间比两头亮,270圈时曾试过将线圈两头绕得密,中间绕得疏,结果中间亮度下来了,而两头亮度并没有提高,电压却提高到了250V,说明电极压降提高了50V,电极损耗增加了。
    看来线圈还是均匀绕较好。
    可以看出,线圈磁场的作用就是通过电磁感应增强放电电流,减少电极损耗,提高光效。


补充内容 (2014-1-10 14:39):
    因制作时还没有参赛这回事,制作过程没有留下图像资料。但可以对制作流程作文字说明。
    1.利用一盏灯丝已断的40瓦日光灯,在灯管上用0.3铜线均匀间绕线圈,两端用粘胶带固定,用胶质电线引出,主帖图像左边即是灯管的一端;
    2.在灯具一端固定一块胶木板作为电路板的基础,电路板也用尺寸与之相仿的胶木板,两块胶木板用螺钉连成一体;
    3.高频变压器用三个G26磁罐线圈骨架(两个单格一个双格)胶合,中间插入10*33磁棒,屏极线圈0.27线70圈占2.5格,栅极线圈0.1线37圈占0.5格,主帖图像中电路板上部中间即是高频变压器;
    4.6P13P灯丝电子变压器用节能灯电子镇流器改制,电路位于主帖电路图左下部,灯丝线圈用0.27线在镇流线圈外穿绕20圈,主帖图像中电路板右上部即是灯丝电子变压器;
    5.电磁干扰滤波器共模电感用G14磁罐,双格骨架,分别用0.2线绕10圈,差模电感用10*5*2磁环,用胶质线绕2圈,主帖图像中电路板右下角即是这两个电感;
    6.按600V耐压选电容;
    7.因电路比较简单,所有元器件分布在电路板两面打孔安装,直接用导线连通焊接。
 

diy5.jpg (66.32 KB, 下载次数: 10)

 

【参赛】玩丙类,不发射,DIY高频无极灯
 

图片 2.jpg (83.16 KB, 下载次数: 3)

 

【参赛】玩丙类,不发射,DIY高频无极灯

放在乒乓桌上点亮效果
 

图片 4.jpg (48.08 KB, 下载次数: 9)

 

【参赛】玩丙类,不发射,DIY高频无极灯

 

(责任编辑:admin)
织梦二维码生成器
顶一下
(0)
0%
踩一下
(0)
0%
相关文章
------分隔线----------------------------
发表评论
请自觉遵守互联网相关的政策法规,严禁发布色情、暴力、反动的言论。
评价:
表情:
用户名: 验证码:点击我更换图片
栏目列表
推荐内容