打电机固定螺丝孔
焊电池和换向器
焊好后的样子
组装内部
马达导线从换向器中心穿出
焊接换向电刷
安装后的换向器
尾座螺丝切短
开槽
组装后齐平
全部组装好后固定电机螺丝
完工!尾部之后处理
换向器原理图
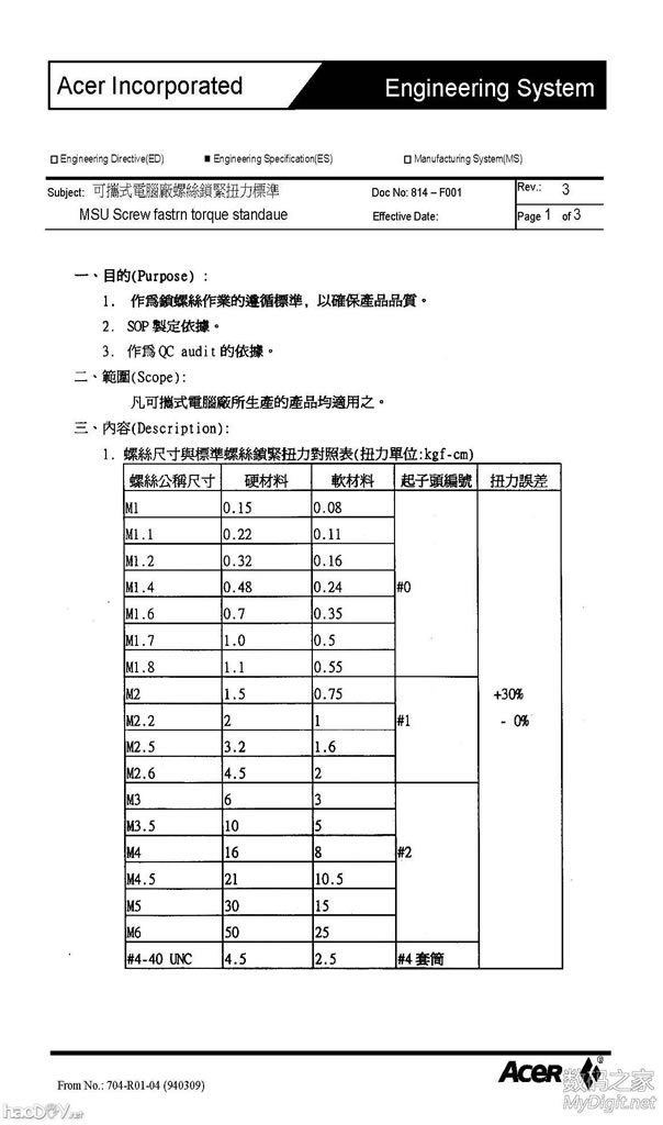
各规格螺丝所需扭矩
马达规格
马达参数
全剧终,因为图片太多,筛选部分上传,如有不明白之处请谅解,欢迎提问! 下面是之前设计的图纸,由于没有车床等设备,原设计流产 原设计内部结构,大小是和数码之家螺丝刀1:1的
筒体部分
头部,需要安装轴承的
换向器原设计
手动工具合集
电动工具合集
工作台
充电部分我没有做,以后会增加 更新坛友的DIY: 世界上最小的迷你电动螺丝刀?可触摸无极调速 正反转自带内置充电 http://bbs.mydigit.cn/read.php?tid=1335505 (责任编辑:admin) |








































