|
我们平常看到的一样平常测电笔,行使时有必然的要求,手要打仗笔尾金属部门。让笔尖金属体与电线打仗,电畅通过人体流入大地才气使测电笔中氖管发出很薄弱的光,行使起来不利便。
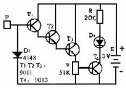
这里向各人先容一种很怪异的电笔,制作也很轻易。电路图见图2-3-1,图2-3-2是电路板,按照通电导线周围存在着50HZ的交换电场,用感到片P将电场信号吸取下来,经三极管T1、T2、T3构成的复合管放大,驱动T4使发光二极管D2发鲜明示出来。与传统测电笔对比,新奇测电笔更安详,不需直接与电线打仗。操作这一点,可以知道埋在墙内电线(电线表面没有铁管作屏蔽层的)走向。还能用它来鉴别电热毯中电热丝在哪儿折断等。
认一认
名称 电路标记 实物图 备注
电阻
可变电阻
二极管 有正、负极性
三极管 三根引线有极性不能交流
发 光二极管 引线有正负极性
干电池
测一测
1.测电阻(R),要领见图2-3-3。万用表置Ω档×100处,调零。读数约220Ω。
2.测可变电阻(W),要领见图2-3-4。万用表置×1K档,调零,表棒接W的1、3端时,约51K。表棒接1、2端或2、3端,用小旋凿逐步旋转W的动片,指针应在0~51K之间逐步变革。
3.测二极管(D1),要领见图2-3-5。正向电阻约几百Ω,反向电阻很大。
测发光二极管(D2),要领见图2-3-6。正向电阻值较小,反向电阻值极大。
图 2-3-5
4.测三极管(T1、T2、T3、T4),要领见图2-3-7。本小制浸染的三极管均为NPN型,正确选择好量程(NPN档)后,将三极管的e、b、c别离插入万用表的NPN档中e、b、c三个小孔中。读数应大于50。
|























