最好的电子音响科技diy制作网站

haoDIY_音响电子电脑科技DIY小制作发明

当前位置: 主页 > 最新DIY >

又给一个坛友做好了个电容点焊机,又来骗点MB

时间:2017-06-05 21:21来源:数码之家 作者:ewhz 点击:
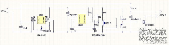
不多说了看看成品图花了不少时间,不过总体来说比第一个做的美观多了|数码之家
不多说了看看成品图
花了不少时间,不过总体来说比第一个做的美观多了
 
  • 又给一个坛友做好了个电容点焊机,又来骗点MB
  • 又给一个坛友做好了个电容点焊机,又来骗点MB
  • 又给一个坛友做好了个电容点焊机,又来骗点MB
  • 又给一个坛友做好了个电容点焊机,又来骗点MB
  • 又给一个坛友做好了个电容点焊机,又来骗点MB
  • 又给一个坛友做好了个电容点焊机,又来骗点MB
  • 又给一个坛友做好了个电容点焊机,又来骗点MB
  • 又给一个坛友做好了个电容点焊机,又来骗点MB
  • 又给一个坛友做好了个电容点焊机,又来骗点MB
  • 又给一个坛友做好了个电容点焊机,又来骗点MB
  • 又给一个坛友做好了个电容点焊机,又来骗点MB
  •  
(责任编辑:admin)
织梦二维码生成器
顶一下
(0)
0%
踩一下
(0)
0%
相关文章
------分隔线----------------------------
发表评论
请自觉遵守互联网相关的政策法规,严禁发布色情、暴力、反动的言论。
评价:
表情:
用户名: 验证码:点击我更换图片
栏目列表
推荐内容