x宝买的电池、充电器和电池盒,电池好不好还不知道,充电器貌似评价不咋滴http://bbs.mydigit.cn/read.php?tid=1011065![]() 不过电池盒真心不错,厚实而且做工精致,看了看完全可以用电池盒做一个充电器。
背面有一个隐藏式挂钩,这个属于意外之喜
动手干,用尺子量了量尺寸,画电路图吧。
切一块覆铜板,表面清理一下。
经过电熨斗折磨了,晾凉
揭开看看,貌似转印效果还不错。一般来说细线是不需要处理的,大面积的覆铜要用记号笔再涂一下。
记号笔处理过之后电熨斗就不是那么烫了,正好用余温来加热腐蚀液,可以大大加快腐蚀速度。
腐蚀好了
有几个孔要钻一下
用汽油把墨粉擦干净
锯子锉刀一起上,把边框修好
放进电池盒,正正好
焊接基本完成了,用曲别针做的电池弹片
夹上电池也挺紧的,应该不会有问题
再放进盒子里面看看
好了,该处理一下肉体召唤问题了 首先,要开一个洞,把眼睛露出来,不然就是白内障啊
自制的开孔工具
锉刀+硬币把圆孔修整一下
戴上眼镜了
成品的样子
充电中,电流应该是1000ma的,不知道为啥超出了
充满了
好了,可以找个地方挂起来了
只要在它面前几米范围内走过,就亮起来了,是为“肉体召唤”充电器 ![]()
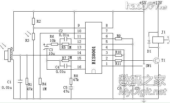
原理图在此 ![]() ![]() 分成两个部分,一部分是BIS0001的人体感应电路,另一部分是TP4056的充电电路。 另外就是驱动LED的那个两个芯片,是AMC7110,驱动3个LED的20ma恒流芯片。本来拍的是4LED的AMC7111,一个芯片就能驱动4个LED了。结果卖家发错了,发给我的是AMC7110,只好改动电路用2个芯片驱动6个LED,不过我空了两个LED没焊上去。 之前我做的都是“使用锂电池的人体感应夜灯”,但是这次我做的是 “能响应肉体召唤的充电器” ![]() ![]() 嗯,就是充电器,一个晚上有人在它面前走过就会亮起来照亮一间屋子的充电器,不是别的什么东西。 (责任编辑:admin) |



























































