|
汽车有时会多日闲置不开且顾不上定期发动车子充电,时间长了电瓶会亏电,铅酸电池放置2个月性能就有明显下降;而定期启动只为充电也不划算,需要弄个充电器,能DIY一个当然更好。手头恰好有个长城电脑电源,看了看属于“经典”电路,就用它改个吧。 外观:
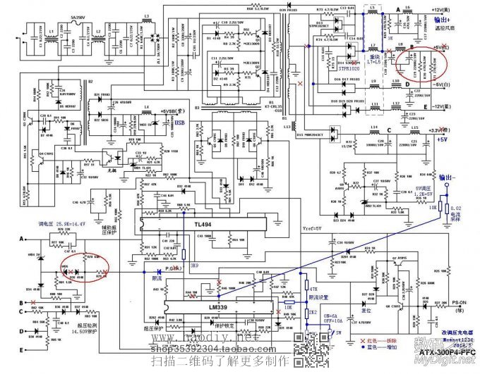
网上有不少经典改法的教程。总想用最少最简单的改动来达到目的,并且想尽量保留原有的保护功能和多路电压输出,就对电路图进行了一番研究,最终的改法如图(点击放大):
简要改动说明 : 1、P.G.(灰)信号无用,就利用LM339那个比较单元做了限流设置器,输出去控制tl494的4脚。 2、原来的+5V(红)输出的元件基本都拆掉了。 3、拆掉的元件清单:WD5、D35、R78、R79;C18、C19、R70、R71;R44、R45。 4、更换的元件清单:D14换成100V20A的;R69换成1K;R76换成调压电位器;R35可以先不动。 5、右边的电流采样电阻是利用了电流表的分流电阻,实际约为29mΩ。 实现的效果: 上电就有显示; 4位电压/电流表,两位小数,0.01分辨率; 利用StandBy +5V电源做个2A电流的USB充电口; 保留风扇,散热很重要; 电压表可测外部电压,不加电时可测锂电、测电瓶等的电压,加电时可测干电池等低电压; 保留3.3V磁控稳压部分,可做大电流5V输出。 电瓶充电输出部分特点: 电子开关启动; 可调输出电压11V——14.40V(调压电位器采用10K时); 当输出电压调整为12V时,-5V和-12V可正常使用; 限流分两档6A、10A,(实际有20A能力); 过压保护14.50V。 选外壳的这一面做为面板了(已经开了安装表头的方孔、USB插座孔、接线柱孔):
由于保留了大尺寸静音风扇,导致内部空间有点紧张,而最紧张的是面板的可用部分,因为也要让出风扇的位置。所以电压/电流表就装在中间高度了。接线柱用了音箱后的接线柱。为了接线柱与铁壳绝缘,把整个面板的里、外都用绝缘纸和高温胶带贴住,于是喷打了个面板贴纸。右边显得空荡,就加了个黄色块:
在暂时去掉限流功能时,实测输出电流能力在20A以上,过载保护还是起作用的。扩流手段: 利用原5V整流二极管的位置,更换为12V整流二极管,并与原来的12V整流电路并联,这样可使整流部分的通流能力提高一倍。 重绕那个环形共模电感线圈,使L7的匝数与L5的完全相同,以免影响-5V和-12V电压。 改绕过的线圈:
当然了,如果不需要太大电流(不超过10A)的话,是不需要进行这样扩流改造的。 自锁开关的做法 ATX电源是PS-ON(绿线)接地时主电源启动,这里需要一个自锁开关,是利用废排插上的开关改制的:
先焊上两个铜柱,然后用螺丝固定开关:
为使按钮外观轻巧些,尽量少占面积,对按钮帽做了取舍,只保留了中心部分:
绿色线就是PS-ON了,黑色线当然就是GND:
调压电位器的安装 原来只想做个13.8V的浮充的,试用后感到有必要充到14.4V的,于是又考虑加装个电压调整。 平常使用是不需要经常调整电压的。为防止无意中旋动电位器旋钮改变电压,还是不要用旋钮帽了,直接拧轴即可,这样还可以减少占用面板空间。电位器选用了仪器上的,轴端是整圆形的。一直为如何固定电位器发愁,翻找元件时,看到了这个,就是它了:
这是个空开中用的压线端子。先把它用烙铁焊到面板合适的位置,就在原来的出线孔那里吧,再把电位器穿进来锁紧。实际效果不错,千斤顶一般,很紧的,并且方便拆卸和更换。这样一来,面板上就看不到固定螺丝了。
电位器阻值10K,与1个电阻串接后代替图中R76,使输出电压最高时为14.40V。注意R77和C47不要动,这个是改善瞬态响应和防止自激的。 电压表头改为电压/电流两用表头 因为充电器输出电压值在2位数了,为了显示准确一些,就选了四位的表头,充电电压精确到2位小数是有必要的。不过,再弄个电流表头的话,不仅占空间、占面板,而且开销偏大,于是想到让电压表头兼做电流表头,同时有0.01的分辨率,感觉很好。 这部分内容单独发帖了,请看这里: http://bbs.mydigit.cn/read.php?tid=979776 , 只用一个触点改4位LED电压表头为电压/电流双功能表头 【待续—看2楼】
改造好的电压/电流双功能表头:
(责任编辑:admin)![]() 表头和接线柱安装: ![]() 注意看:内部保留了一个4Pin的电脑插头,12V和5V都有哦。 表头下面红色的是自制的分流电阻,红色是高温胶带的颜色: ![]() 从后面看表头,用PVC卡做了个表头后盖: ![]() USB插座安装 USB插座是直接焊到面板后面了,从上面看: ![]() 从里面看: ![]() 分流电阻的制作 用粗铁丝(粗铜丝更好)平排三折做成芯子,用高温胶带缠紧并绝缘,在两端用粗铜丝做引脚形成骨架。取较长的细铁丝,用毫欧表或四位半万用表测量总长度的电阻,然后按所需电阻的4倍计算细铁丝长度,为两端头适当加长后截取。将这段细铁丝对折后即为所需阻值。将对折后细铁丝以无感方式缠绕到骨架上,两端与铜引脚焊牢,即做成分流电阻。可以采用锡焊短接部分铁丝的办法来调准电阻。 用铁丝做的电阻耐高温,但是温漂较大,不过用于此处还是够用了。如果有条件采用较粗的康铜丝制作或采用现成的精密功率电阻,当然更好。 就地取材,用了建筑工地上绑钢筋的细铁丝: ![]() 注:最下面那条是做过这电源负载的,一会儿就被烧红了,凉了就变黑了(镀层没了)。 电流选择开关 小车电瓶一般是60Ah左右,0.1C充电电流是6A;而大车电瓶一般100Ah~150Ah,0.1C充电电流是10A~15Ah。对车用电瓶来说,用0.2C电流充电也不成问题。为了扩大充电器的适用范围,就因地制宜做成6A和10A 2档了。当然加电位器做成连续可调的也不错,配上刻度就好。找了个最普通的波段开关(两刀两掷),让它骑在电路板的边上了。不需要再开孔了,用螺丝刀、镊子之类通过散热孔就可以拨动开关,反正电流大小也不需要经常调整。 ![]() 充电器实测 给65Ah的汽车电瓶充电: ![]() 显示电压: ![]() 充电末期显示电流: ![]() 增加电压调整旋钮后,最高电压显示: ![]() 用电炉丝测试能烧红,顺便摆个POS——底面不算难看吧: ![]() 被它烧红过的铁丝(下面那根): ![]() USB口给移动电源板供电: ![]() |









































