|
白光套件制作已经完成,利用ATX电源改装的白光电源及可控支架也完成,能实现做可调电源使用,电压0~24V可调。做白光电源时电压12~24V可调,烙铁放回烙铁架后延时1分钟关闭电源,拿起烙铁立即通电加热,在19V电压输出时10来秒可升温到额定温度。 使用感受:白光的加热真的很快,把电源输出电压调到21V,拿起烙铁时电源自动开启加热,点一下松香后就可以进行焊接。对于大焊点,把温度调高10来度,也是轻松完成。因为是业余使用,烙铁的使用频率不会很高,经常是放下烙铁思考一下电路,确定方案后才动手。这时延时断电就比较有用,放下烙铁后如果在1分多钟内不使用烙铁,就关闭电源,可以省不少电呢。需要用烙铁的时候,拿起来加上点一下松香,烙铁已经加热到需要的温度,真的很方便。 原白光套件和支架制作可看帖子:http://bbs.mydigit.cn/read.php?tid=370791 改的这个电源是世纪之星GTA-250
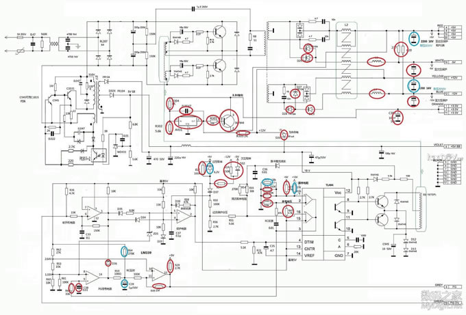
找了个类似的电原理图,参照这个图根据实物绘出实际电原理图,然后进行分析改装。下面的就是实际绘出的图,里面红圈是需要拆除的,蓝圈是需要替换的。昨晚传的图有几个元件错画了红圈,已经更正并调整过,可以看清晰大图了。
根据以上电路进行改装 1、把ATX电源无用的-5V,-12V,3.3V输出拆除,因为改装要大幅度改变电压,不拆除会影响到后面的改装输出。拆除时必须把变压器出来的整流二极管也拆了(+5V和-5V,+12V和-12v是同一个绕组输出,一般-5v,-12v使用分立元件整流,+5V和+12V使用整流模块。分清楚后把-5v,-12v的分立整流管拆除)。 2、把-5V,-12V连接到LM339的5脚的欠压保护电路的取样电路拆除,其实就是-5V,-12V连接LM339的5脚的电阻和二极管。 3、把+5V连接到LM339的5脚的过压保护电路的稳压管(6V)拆下来,用一个12V的稳压管代换。同时把稳压管并联的电阻拆除。有些电路还有一个+3.3V至LM339的5脚的稳压管,也拆除。这样改装后可以保留过压保护功能。 4、把原来+5V,+12V输出的滤波电解电容都换成高耐压的,5V输出电路的换16-25V耐压,12V输出电路的换35-50V的电解电容。否则调压后电压上升原来的电容会爆。拆除+12V至TL494的12脚的冗余供电二极管,使TL494只由辅助电源供电。 5.拆除连接到TL494的1脚的+5V的取样电阻。因为494的1脚对地并联了3个电阻,把其中最大阻值的两个拆除,然后把18K的那个换成5.6K的电阻。同时把+12V到494的1脚的27K取样电阻换成22K的。改装后在24V输出时,根据分压电路计算公式,22K电阻和5.6K电阻分压后的电压为4.86V,使1脚的取样电压只能在0~5V之间变化。 6、改可调的时候是通过改变TL494的2脚的参考电压来进行调压,所以要把2脚对地的电阻拆除,2脚和14脚基准电压之间的4.7K电阻拆除,只保留2脚与3脚之间的RC电路。然后把2脚按下面的图改装。改装后如果出现自激,可在2脚和3脚之间加一个0.1μ的电容(虚线所示)。
7,在原+12V输出电路和地之间并一个330~620Ω/1W的电阻,在原+5V输出与地间并一个60~240欧,1W以上的电阻当作假负载。不然电源因为空载启动不了,就是风扇转一下就停。 改可调后,风扇可接到5VSB处,因为电压低了,风扇很静音的哦。同时因为改装用到原来的软开机电路,不能再使用原来的软开机了。需要在电源插座后的火线串接一个开关作为电源开关。 开始改装PG电路 1、把LM339的13脚与+5V之间的R29电阻拆除,13脚与11脚之间的R49电阻拆除。使13脚空出来。 2、把14脚与1脚之间的二极管D36拆除,使软开机电路与PG电路之间断开连接。 3、把TL494的3脚与LM339的9脚之间的电阻R40拆除,9脚与地之间的电容也拆除。使9脚也空出来。 4、把图中的R64更换为1M的电阻,C39更换为47μ~100μ。这两个元件组成RC延时电路,更改它们的值可以改变延时时间。 然后,按下图来改装,增加微动开关和切换开关。
至此改装基本完成,然后就是测试和在电源盒子上钻孔安装开关和电压表。 改装中的电源
基本完成,装上开关和电位器
总装,进行测试
测试中,在烙铁架放上烙铁后电源延时关闭电源
拿起烙铁,电源自动开启供电
用电平表头改了个0-24V的简易电压表,来看输出电压。
白光+可控烙铁架+可调电源改装终于成功。。。。。就是样子丑了点,呵呵
[ 此帖被qq2006bt在2012-02-29 01:06重新编辑 ]
(责任编辑:admin) |





































