|
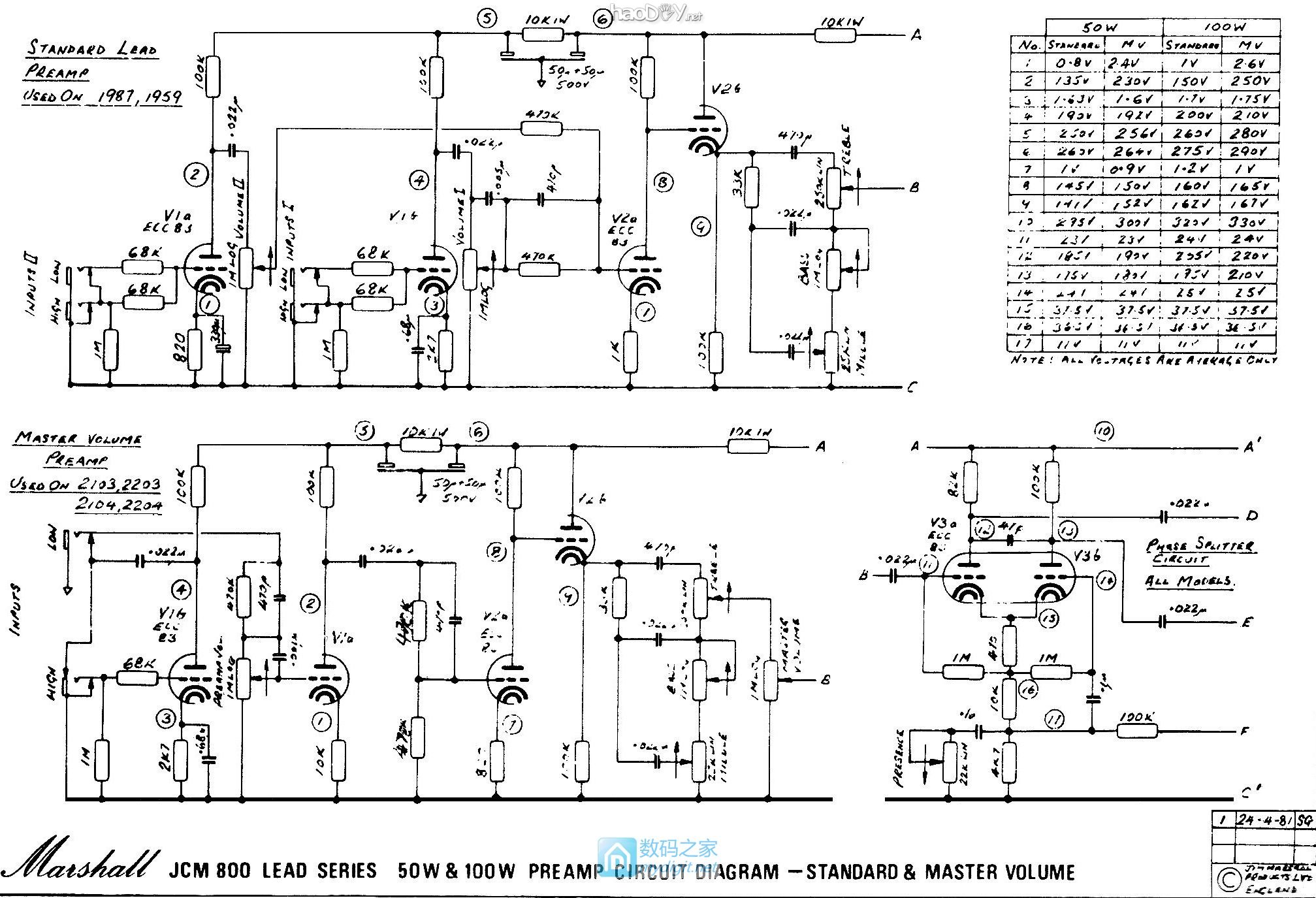
以前DIY过几个箱头、大多是分体的。这回要做一个自己满意的又要方便的,所以要做个一体箱。要便宜,所以材料不发烧。决定用以前的收音机牛来做。 这就开始了。这里就到电路的选择了,我是以marshall JCM800这个经典的型号来作为参照,但这个电路后级是推挽的。我没有推挽输出牛。所以要改成单端的。好在以前干过同样的事。所以这回也有经验了。 (marshall的电路可以在下面的那个地址里找到。) http://www.drtube.com/marshall.htm#JCM800
保留前级的电路。 原来前级管是两个12ax7 但这个管子不便宜啊不便宜。。。果断换成国产的6N4 后级改成6p6p 配合5K的收音机牛。吉他不同HIFI 收音机牛拿来听歌可能会让人感觉轻飘飘的。但用在吉他上就再适合不过了。 基本上确定后就是搞搭棚的图了。 切一块绝缘板出来。
宽6厘米长20厘米。贴上纸胶带。画上元件,差不多了就可以开孔了。
然后各种的元件。。。 把要用到的元件搞出来,装到另外一个箱子里,到时要用的时候免得乱找。
滤波电容。。。这两电容有点特别,负极是在外壳上的。
两个脚的是10uF+10uF的。 三个脚本的这个是22uF+22uF+22uF 固定这种电容要用电容夹,淘宝上有卖,但这不是我们DIYer应该做的,我的做法是。。。。。 找点废铁皮,剪两条出来,再打孔,再上螺丝
然后是机箱了。。去五金店做的连折边也一起做了。1mm的不锈钢。。。。
摆放一下,构想出大概的位置。
确定后就是各种苦逼的开孔了。。。。
![]() 结束让人内牛满面的开孔了。。这会就到棚板了。 焊上元件的棚板。。。 ![]() 安装其他各种元件。。。有关电位器的。。。一般要在开完的大孔边上再开一个小孔的。。但我实在是没有那个勇气继续开孔了。 所以。。。卸掉电位器上的那个小铁块了事了。 ![]() 还有其他的元件。。。 ![]() ![]() 焊接前级管的灯丝。 ![]() 上棚板!!! ![]() ![]() 给缓冲开关来个特写。。 ![]() 没有专门的灯丝线。但是没关系。自己做一条就成。 一头固定好, ![]() 另外一条固定到电钻上。然后开动。PS:喊完这两个字就可以松开手指了。。。一秒瞬间搞定。。。 ![]() 看。。。很快吧。 ![]() 然后再接线。上无27厂的电牛!!很不错的。 ![]()
|
























































































