|
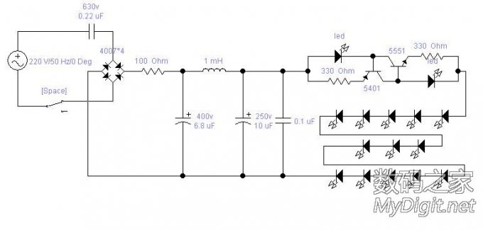
新年到,先祝大家新年快乐!身体健康!!财源广进吧!!! 2016年第一天搞个省电的电灯,基本不耗电哦。或者可以叫“摩尔小偷”吧。 上图说话 就是利用这个节能灯灯头改的。
上我的6合一工具,被小孩子搞丢了其中四支,只剩下这两支了。
开盖中
电路板,其它不用的都下走了。
反面
接LED的正面
反面
这哥俩好5551
5401,有点不清。不好拍
用功率表测下结果。
0W,没看错。表也没坏哦。
看仔细点
不亮的时候。
装好再看一次。还是0W。
差不多有近3W的节能灯亮度,作夜灯或放楼道上最合适,可以长时间开启。缺点就是指向性较强。 2016年首贴。 再祝大家工作愉快!心想事成!!
(责任编辑:admin) |





































