|
个人非常爱好硬件收藏,前段时间刚收到了两块Intel的4004 CPU和几片支持芯片。 4004是Intel出的第一块CPU,也是历史上的第一块CPU,发布于1971年,线宽4位,主频740K,指令周期还得除以8,可想而知是多慢啊... 关于4004不多说了,想必诸位应该都有所了解,如果想看详细资料,请看如下链接! 百度知道 Wiki 13楼更新原理图 这次我收的是P4004,即塑封4004,是4004最便宜的一种,生产于1977年第34周(够老吧,差不多是我年龄的两倍了) 正面
反面
CPU到手之后,我打算做个测试系统,于是我就用面包板做了个电路,用了一片4004,一片4002,一片4289和一片ROM。 其中,4002是RAM,容量20字节(大吧 ) ,同时还有4个输出口。4289是CPU与ROM的接口,有点像现在主板上的北桥。因为找不到合适的晶振,我就用了一个10MHz晶振16分频得到625KHz的时钟信号。4004要有两个相位不同的时钟信号,所以在分频器后面接两个与门一个非门来取信号。 4004用的电压是15V,比起现在的CPU可谓天文数字了。所以在TTL的与门后面,还要加两个三极管搭的驱动器。 下面看图! 全貌(不含ROM)
4004CPU和4002RAM 我在内存输出口上接了4个LED来作为输出
4289内存控制器
编程是个大问题。我没有EPROM编程器,只好搭个手动编程器,用镊子拨着给ROM输程序,累死了...过程就不用拍了吧?!
编好后把ROM插上。
猜猜做好后是什么?答案可能让你失望,只是一个4位的流水灯。不过,它可是用世界上第一块CPU控制的哦! 看看运行效果...
现在我在做一个接口扩展板,准备接数码管的,先放个图吧!
最后是我的手稿,谢谢观赏!
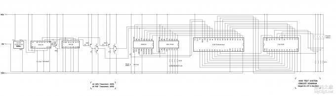
[...完...] 今天发一个电路图,我用绘图板慢慢画的,呵呵不错吧?
(MD,刚才要写数码管程序时才发现4004连求与(AND)指令都没有,真是麻烦啊... )
(责任编辑:admin) |




) ,同时还有4个输出口。4289是CPU与ROM的接口,有点像现在主板上的北桥。






















