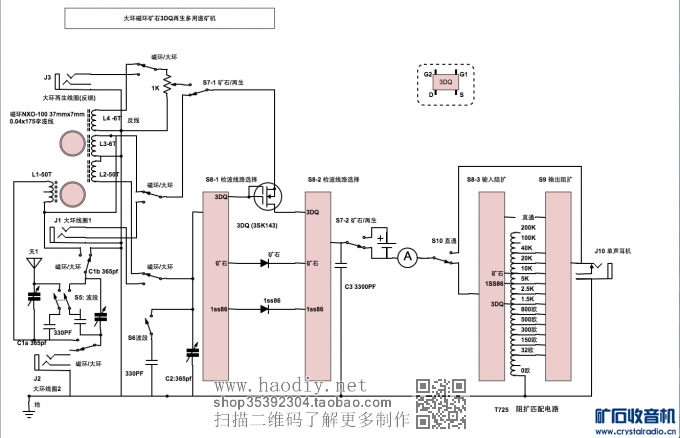
大环磁环矿石3DQ再生多用途便携矿石收音机
    
设计概念:

这是个 用 磁环线圈, 分别用 矿石,二极管和 3DQ 检波 , 也可通电级 3DQ再生的 多用途矿机.
利用双声耳机插孔上的开关来迭接外面大环线圈或是內部的磁环线圈.
用大环时不用天地线也可接收.
用磁环时要接天地线.
也可帶出街外收听,但要接2米拖线 改装了1.1米拉杆天线可直接插到天线插座上.
S5 和 S6 选择收中波的高端或低端.
再用S8三刀4择来选择用3DQ , 黃鉄矿石或 二极管检波,
当选择用 3DQ 时 用S7 选择 供电给3DQ 起动再生工能来收弱台或用无电源方法检波.
S8 也选定不同检波器在T725 阻扩匹配变压器的输入阻扩.
输出阻扩可由S9 选定由32欧至40K欧 匹配所用的耳机.
S10 可选择跳过T725阻扩匹配变压器,直通.
利用小型电流表来显示讯号强度.
外机箱设计:
要做到便携, 用了市面可買到的塑料盒子 (270x70x40), 再盖上黑色卡纸面版.
 
线圈做法:
大环:
大环线圈1,大环线圈2, 是用两个呼啦圈做的大环, 阔一米, 用0.04x660 李滋线绕7圈, 线头接 3.5毫米双声耳机插头的接中端, 线尾接顶端, 第-圈抽头接地点. 在其中一个大环用1毫文以上胶电线绕一圈 (反绕) 用来当再生用的线圈.
大环的放置:
当两个大环都是平行放置时, 可作双回路的安排, 因大环的接线较长, 电感量相差较大, 如用同轴的双連可变 电容 难调到同一频率, 现分别用两个不同轴的的可变 C1a/b. C2 来分别调谐, 较易控制.
在我这边,有些弱台要把大环水平放置才能收到. 但有些强台要把大环垂直放置才会最响亮. 于是想看看当两个大环 一个垂直放. 一个水平放 时, 用不同的可变 C1. C2 调谐, 把从两个方向接收到的电波分别调谐到同一频率, 各自谐振,再合而为一, 希望可增大音量.
利用3.5mm耳机插孔內的开关来选择接大环还是磁环. 当接磁环时 C1 变了双回路中的天线端的调谐.
磁环:
用较易实到的 镍锌磁环 NXO-100--37*23*7
在第一个磁环用0.04x175 李滋线绕50圈 当 L1, 作为天调线圈.
在第二个磁环用0.04x175 李滋线绕50圈 当 L2, 作为调谐线圈.
再绕6圈 当 L3, 作为3DQ 源极线圈,
再反绕6圈 当 L4, 作为3DQ 再生线圈.
测试:
接上天地线. 我用的是在窗外放下15米的鱼杆天线, 及接自来水管当地线.
把耳机插进耳机转换线的插坐. 我用的耳机是两个150欧的助听器耳机串联. 也可用两个300欧的舌簧耳机串联.
在家中,能收所有本地的中波电台. 强台音量大, 能推动舌簧啦叭音小但 二米内能听清楚。调台时要先调C1 再调C2, 再调C1
弱台选择性好.不会被大台盖过
带出街上时用拉杆天线当天线及2米施线当地线, 能收到当地强台, 音量大. |
-
-
IMG_8954.JPG (118.69 KB, 下载次数: 0)
-
-
IMG_8955.JPG (140.09 KB, 下载次数: 0)
-
-
IMG_8956.JPG (144.27 KB, 下载次数: 0)
-
-
IMG_8958.JPG (97.87 KB, 下载次数: 2)
-
-
IMG_8940.JPG (121.33 KB, 下载次数: 0)
-
-
IMG_8941.JPG (110.16 KB, 下载次数: 1)
-
-
IMG_8942.JPG (112.85 KB, 下载次数: 1)
-
-
IMG_8944.JPG (111.83 KB, 下载次数: 1)
-
-
IMG_8945.JPG (110.64 KB, 下载次数: 1)
-
-
IMG_8946.JPG (101.48 KB, 下载次数: 0)
-
-
IMG_8680.JPG (147.23 KB, 下载次数: 0)
(责任编辑:admin) |