最好的电子音响科技diy制作网站

haoDIY_音响电子电脑科技DIY小制作发明

当前位置: 主页 > 最新DIY >

自制航模、车模遥控器!

时间:2017-08-15 15:32来源:www.crystalradio.cn 作者:分立元件 点击:
自制航模、车模遥控器! ,矿石收音机论坛
6通道航模遥控器、12通道航模遥控器、4通道车模遥控器,这些遥控器都是航模论坛开源,我按照教程自己做了这些,

补充内容 (2017-7-24 10:37):
喜欢研究的话去航模论坛去找原帖,那边已经做到第三代遥控器和接收机了,但是第二代已经被删除,只剩一代和三代
 

IMG_20170719_220626.jpg (33.89 KB, 下载次数: 2)

 

自制航模、车模遥控器!
 

IMG_20170719_220639.jpg (30.99 KB, 下载次数: 0)

 

自制航模、车模遥控器!
 

IMG_20170719_220725.jpg (21.83 KB, 下载次数: 0)

 

自制航模、车模遥控器!
 

IMG_20170719_220645.jpg (31.81 KB, 下载次数: 0)

 

自制航模、车模遥控器!
 

IMG_20170719_220721.jpg (27.44 KB, 下载次数: 0)

 

自制航模、车模遥控器!
 

IMG_20170719_220705.jpg (25.53 KB, 下载次数: 2)

 

自制航模、车模遥控器!
 

IMG_20170719_220737.jpg (26.41 KB, 下载次数: 2)

 

自制航模、车模遥控器!
 

IMG_20170719_221033.jpg (35.24 KB, 下载次数: 2)

 

自制航模、车模遥控器!

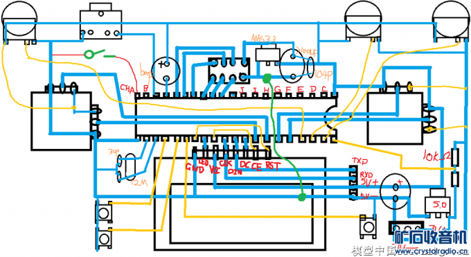
补充电路图:

自制航模、车模遥控器!

自制航模、车模遥控器!

自制航模、车模遥控器!

自制航模、车模遥控器!

自制航模、车模遥控器! 6通道航模遥控器HEX文件.rar (834 Bytes, 下载次数: 4) 

自制航模、车模遥控器! 6通道接收机HEX文件.rar (856 Bytes, 下载次数: 4) 

12通道的版本不太全面,后面的几个版本已经被删除,找不到了

自制航模、车模遥控器!

自制航模、车模遥控器! 

自制航模、车模遥控器! 萝丽航模12通接收机二代C版固件.rar (1.98 KB, 下载次数: 5) 

自制航模、车模遥控器! 萝丽航模12通接收机二代A版HEX.rar (1.53 KB, 下载次数: 5) 

自制航模、车模遥控器! 萝丽航模遥控器二代C版固件.rar (17.33 KB, 下载次数: 6) 

自制航模、车模遥控器! 萝丽航模遥控器二代A版HEX(更正).rar (11.09 KB, 下载次数: 5) 

(责任编辑:admin)
织梦二维码生成器
顶一下
(0)
0%
踩一下
(0)
0%
------分隔线----------------------------
发表评论
请自觉遵守互联网相关的政策法规,严禁发布色情、暴力、反动的言论。
评价:
表情:
用户名: 验证码:点击我更换图片
栏目列表
推荐内容