|
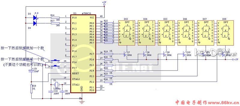
图中可以看到本制作的首要焦点电路是用AT89C51构成的按键取值电路,S3S4别离节制计数值的加减。数码管行使的是共阳极通过3906节制。
这个计数器首要用于对键的按键次数计数,用于鼠标中的微按钮或其余按钮做QC测试用。以是在软件顶用了取两次按时刻断的键值做较量以到达简朴防发抖和取健值的目标。读者伴侣可以自行修改措施以得当本身的电路。本计数器的计数范畴为0-999999,最大的频率为50Hz,虽然这些参数都可以按照必要调解。措施行使的是汇编延时措施,可以改用C写,没有任何关系只是我偷懒从旧的措施中拷过来用。
道理图:

实物图:

措施如下:
#include <AT89X51.H> #define Key_UP P3_6 //上调 #define Key_DOWN P3_7 //下调 #define LED P0 #define LED1 P2_2 //LED节制 #define LED2 P2_3 //LED节制 #define LED3 P2_4 //LED节制 #define LED4 P2_5 //LED节制 #define LED5 P2_6 //LED节制 #define LED6 P2_7 //LED节制
unsigned char code LEDDis[]={0xC0,0xF9,0xA4,0xB0,0x99,0x92,0x82,0xF8,0x80,0x90}; //共阳0-9的LED笔划 static unsigned char bdata Key; //可位寻址的状态寄存器 sbit NewKeyUP = Key ^ 0; sbit NewKeyDOWN = Key ^ 1; sbit OldKeyUP = Key ^ 2; sbit OldKeyDOWN = Key ^ 3; static unsigned long data Count; static unsigned char LEDN[6];
void main(void) { void Delay_510(void);
Count = 0; //初始化变量 Key = 0;
EA = 1; //应承CPU间断 ET0 = 1; //按时器0间断打开 TMOD = 0x1; //设按时器0为模式1,16位模式 TH0=0xB1; TL0=0xDF; //设按时值为20000us(20ms) TR0 = 1; //开始按时 while(1); }
//按时器0间断外理中键扫描和表现 void KeyAndDis_Time0(void) interrupt 1 using 2 { TH0=0xB1; TL0=0xDF; //设按时值为20000us(20ms)
NewKeyUP = Key_UP; //取新的键值 NewKeyDOWN = Key_DOWN;
if (!OldKeyUP && NewKeyUP) //键铺开时,这里的间断为20ms阁下(按时值非自动装载以是多于20ms) Count++; if (!OldKeyDOWN && NewKeyDOWN) Count--; //这里Conut为int 没有做负数等处理赏罚,有必要自行加上 if (Count>999999) Count = 999999; LEDN[5]=Count/100000; LEDN[4] = (Count-100000*(long)LEDN[5])/10000; LEDN[3] = (Count-100000*(long)LEDN[5]-10000*(long)LEDN[4])/1000; LEDN[2] = (Count-100000*(long)LEDN[5]-10000*(long)LEDN[4]-1000*(long)LEDN[3])/100; LEDN[1] = (Count-100000*(long)LEDN[5]-10000*(long)LEDN[4]-1000*(long)LEDN[3]-100*(long)LEDN[2])/10; LEDN[0] = (Count-100000*(long)LEDN[5]-10000*(long)LEDN[4]-1000*(long)LEDN[3]-100*(long)LEDN[2]-10*(long)LEDN[1]);
LED=LEDDis[LEDN[5]]; LED6 = 0; Delay_510(); LED6 = 1;
LED=LEDDis[LEDN[4]]; LED5 = 0; Delay_510(); LED5 = 1;
LED=LEDDis[LEDN[3]]; LED4 = 0; Delay_510(); LED4 = 1;
LED=LEDDis[LEDN[2]]; LED3 = 0; Delay_510(); LED3 = 1;
LED=LEDDis[LEDN[1]]; LED2 = 0; Delay_510(); LED2 = 1;
LED=LEDDis[LEDN[0]]; LED1 = 0; Delay_510(); LED1 = 1;
OldKeyUP = NewKeyUP; OldKeyDOWN = NewKeyDOWN; }
void Delay_510(void) //延时510微秒 { #pragma asm MOV R0,#7DH MOV R1,#02H TSR1: DJNZ R0,TSR1 MOV R0,#7DH DJNZ R1,TSR1 #pragma endasm }
(责任编辑:admin) |