|
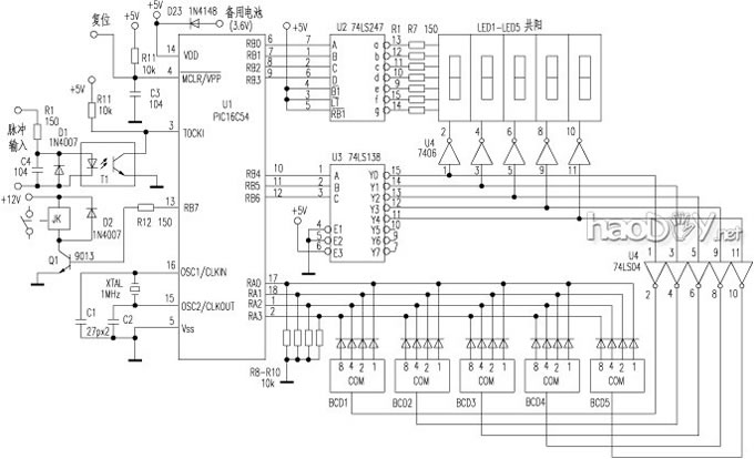
计数器在家产节制中有着普及的应用。传统的数字计数器都是用中小局限数字集成电路组成的,不单电路伟大,本钱高,成果修改也不易。用单片机制作的计数器可以降服传统数字电路计数器的范围,有着辽阔的应用远景。 本文先容的计数器回收Microchip公司的PIC16C54单片机。该型单片机为RISC布局,在4MHz的事变频率下,每一个指令周期为1μs,运行速率大大高出MCS-51系列,合用于对及时性要求较高的家产节制规模。 电路道理 附图为计数器的道理图。PIC16C54具有两个I/O口,RA口有4条I/O线,RB口有8条I/O线。本计数器中RA口配置为输进口,用于读取BCD拨盘开关(BCD1~BCD5)设定的计数值;RB口配置为输出口,用于对数码管举办扫描和节制输出继电器。T0CKI为PIC16C54内部计数器的输入脚,计数脉冲颠末光电转换后从该脚输入,PIC16C54的内部计数器对输入的脉冲举办计数。 因为该内部计数器宽度仅有8位,最多只能计数到256,因此要用软件对该计数器举办扩展,以满意现实计数必要。 BCD拨盘开关(BCD1~BCD5)设定计数终止值,当扩展的内部计数器计到与BCD拨盘开关设定值相称时,RB7输出高电平,使继电器吸合,节制外部装备。此时,纵然有计数脉冲输入,计数器也不会再计数,必需在复位端输入复位信号,才气从头计数。 软件计划 本计数器的主措施完成BCD拨盘开关的读取和数码管扫描。数码管回收动态扫描的要领表现,每个数码管依次亮必然的时刻,操作人的视觉暂留使数码管看上去是全亮的。每个数码管亮时都挪用一个延时措施,在延时措施中,实现对T0CKI脚的检测与PIC16C54内部计数器的操纵。因为PIC16C54没有间断成果,用这种要领可以实现及时计数。
|


















