|
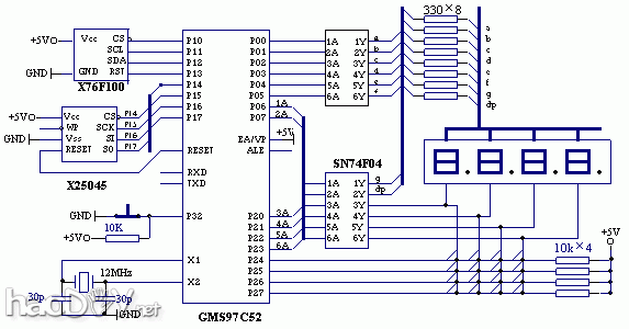
2.1 IC卡及卡座 X76F100为128×8位的保密串行FLASH E2PROM,个中读暗码和写暗码别离为64位。图2为其智能卡Smart Card封装的引脚图。把芯片封装在一个卡片上,将卡片插入IC卡读写器的卡座中,读写器就可以对它举办读写,实现加密、查询、存款、取款等成果。 IC卡座有8个引脚,当X76F100Y插入时,正好同这几个引脚相连。其它尚有两个牢靠端,个中一个牢靠端同卡座上一个弹簧片相连,两个触点和簧片就相等于一个常闭开关。当卡未插入时,簧片闭合,P3.2脚保持低电平;当卡插入时,簧片被顶开,P3.2脚变为高电平。当单片机检测到P3.2脚变高,通过P1.3 使X76F100的RST引脚变高,使其复位。 2.2 单片机 单片机回收LG公司的GMS97C52。它有8K字节的ROM,256个字节的RAM以及32个I/O口,P1口与串行器件X25045和X76F100毗连,P0、P2口用于键盘和表现,P3口中P3.2用于检测IC卡是否插入,别的7个口,可作其余成果扩充。 2.3 监控电路 监控电路回收X25045芯片,它包罗看门狗按时器、电压监控电路和E2PROM存贮器。其成果是:上掉电时对GMS97C52发生RESET信号;看门狗对体系举办监控,防备死机。 2.4 键盘电路 为了利便,键盘接口电路用I/O话柄现,它为4×4布局,16个键。个中数字键11个,成果键4个,回车键1个。 数字键:0、1、2、3、4、5、6、7、8、9、←(退格)。 成果键:查询?、存储 、取款-、改暗码* 。 查询?:用户通过读暗码可以查询卡中所存的款额。 存款 :用户通过写暗码可以将款存入卡中。 取款-:用户通过写暗码可以从卡中取款。 改暗码*:分为修改读暗码和写暗码。为利便起见,令读暗码和写暗码一 致,按此键将同时修改读暗码和写暗码。 回车键:8位暗码或存取款数输入完确认,以及新暗码输入完确认。 2.5 表现电路 表现部份回收LED表现器,也用I/O话柄现。用于表现体系状态、输入的暗码或所要存取的款额以及堕落信息等。 因为GMS97C52的驱动电流有限,在P0、P2口加反向器SN74F04,增进驱下手段。它的吸入电流为64mA,输出电流为15mA,可以担保位选所需的吸入电流。
|




















