|
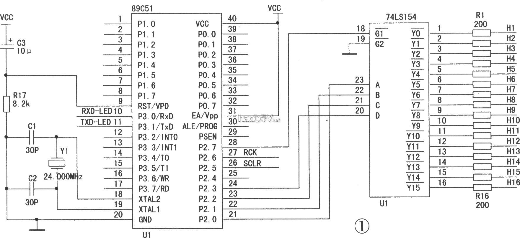
H1~H16可选用8550。2756可用E2PROM。 (责任编辑:admin) |
|
H1~H16可选用8550。2756可用E2PROM。 (责任编辑:admin) |
1.教程说明 心率计可以将检测到的心率数据传输至手机端和WEB端,从而实现心率的实时监...
最近有点忙,可还是腾出空来打造了一款单片机32位LED花样流水灯!......................
最近这段时间比较闲,特地将原先做的LED时钟升级一下!先上照 正面 反面 本次做的LED...
最近帮别人设计了一下毕业设计,就是温度检测、报警系统,具体的题目就不贴出来了。公...
电路设计: 图1是单片机最小系统电路;图2是驱动电路。共10路光源DS1~DS10,分别由AT8...
免费提供各种电子制作文章、资料、图纸...
单片机音频电平显示电路的制作
更新:2014-06-17
单片机LED点阵流水灯的制作 附视
更新:2014-06-08
DIY单片机控“光码电子锁”
更新:2017-05-12
迷你摇摇棒制作
更新:2017-07-05