|
|
|
|
1.教程说明 心率计可以将检测到的心率数据传输至手机端和WEB端,从而实现心率的实时监...
最近有点忙,可还是腾出空来打造了一款单片机32位LED花样流水灯!......................
最近这段时间比较闲,特地将原先做的LED时钟升级一下!先上照 正面 反面 本次做的LED...
最近帮别人设计了一下毕业设计,就是温度检测、报警系统,具体的题目就不贴出来了。公...
电路设计: 图1是单片机最小系统电路;图2是驱动电路。共10路光源DS1~DS10,分别由AT8...
免费提供各种电子制作文章、资料、图纸...
LED频谱开源版
更新:2017-07-04
如何使用Arduino LCD屏幕
更新:2017-05-16
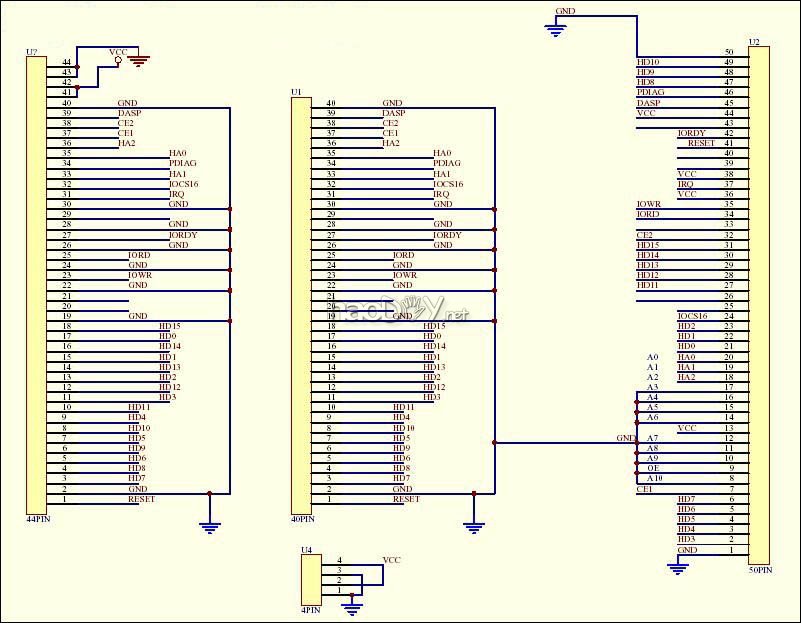
制作硬盘控制电路以及原程序
更新:2013-01-13
GPIO控制LED亮度,制作呼吸灯效
更新:2017-07-04