|
编译:Gibson 这个项目是一个RGB LED音量电平表(实际就是我们播放器上面显示的那个EQ条),这个表通过USB与上位机(window7 或 vista系统)连接。能用LED实时显示当前声音的电平。
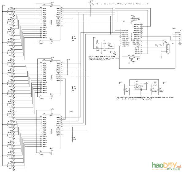
硬件电路: 这个项目的硬件电路非常简单明了,这个Demo板包括了:5V开关电源,一个PIC单片机(带USB通信功能),3个TLC5940(16路LED驱动芯片),16个高亮度RGB LED。 电路图&PCB:RGB_Bargraph_schematic_and_PCB.zip
3片TLC5940级联,因此这些LED并非以复用的方式连接,每一个LED都是直接受控制的。当然,也可以把代码加以修改移植,使其能工作在LED控制复用的状态下。
固件(Firmware): 固件下载:RGB_Bargraph_Firmware.zip 作者在这个软件的基础之上加了两层,底层是TLC5940的驱动库,TLC5940是一个16通道的,支持4096级亮度(基于PWM方式,且各通道亮度独立)的LED驱动芯片。这个驱动库支持单片TLC5940,或者你可以将多片级联。理论上来说,你可以通过一片PIC单片机控制(PIC单片机是连接PC机与TLC5940的桥梁)20片TLC5940(意味着你总共有16*20=320个LED),作者这里级联了三片TLC5940(共计48通道,16个RGB LED)。 顶层则是RGB LED控制,这一层通过TLC5940驱动库实现。包括的功能有LED淡入淡出,颜色平衡,和一堆相当有用的用来控制LED的功能。USB控制端有两条命令,一条是上位机指定所有的LED亮度(由0~255来表示),第二条命令式用来设定所需的LED淡出时间(库文件中同样有淡入时间,但是对电平表来说没有用到) 上位机软件: 上位机软件是用Visual Studio C#2010写的,兼容Windows 7 和Vista。由于使用的音频API缘故,这个上位机软件不能使用在windows XP环境下(XP不支持这个API) 上位机软件源代码:RgbBargraphDisplay_WVS2010.zip
这个上位机软件由三个部分组成: 正如你所见,这个软件可以进行一堆个性化的设置,你可以设置显示阻尼(Display damping ,它跟随音乐跳跃的速率,更大的阻尼使跳跃更缓和,但是有失精准),可以设置淡出速度(fade off ),也可以设置起始和结束时的颜色(上位机自动调节中间显示时的颜色), ,还可以设置显示方式,只单向显示左右声道的平均值,从中间向两边显示两个声道,从两边向中间显示两个声道 自己的想法: 感觉这个不是太好弄,首先,这个PIC单片机用的人估计不太多,第二作者自己以前编了一个USB上位机,是在这个基础上开发的,虽然可以找到作者的源代码,但是估计不好搞定(我没有写过上位机软件,不太了解,随便说说的呵呵),而且上位机还只能在Windows7或者Vista下面用。 毕竟这里PIC单片更主要的功能,个人认为不过是个USB桥接芯片作用。 如果是我的话,直接用一个常用的单片机(AVR,8051)来控制TLC5940,然后用串口通信,上位机软件也写成串口通信的形式,估计简单不少,而且如果电脑没有串口,可以用串口转USB芯片解决,这样的话可能硬件上面麻烦一点,但是估计软件开发简单(哈哈,这也是我个人的看法,我对上位机软件很不熟悉)。
还有就是,它的那个TLC5940芯片比较强大,但是我淘宝了一下,貌似有点贵,十多元一片,貌似ST2221C便宜一些,几块钱,功能可以替代,但是引脚不是兼容的。。。意味着要改程序(上位机和单片机)。 |



















