为了交作业,我的多彩狼牙鼠标就这样变成了无线的了
时间:2014-09-27 19:36来源:itbbs.pconline.com.cn 作者:小姐你好,再见 点击:
次
没有什么赶脚一个学期就过了,赶脚神马都没学就要交期末作业了。 再三纠结后,最后决定弄个有线鼠标改无线鼠标!然后然后就只剩下百度了。 本想有线改无线是个很简单的事情,没想到,这下摊上大事了。。。 然后看了一大堆的资料 工欲善其事,必先晒其器!话
|
没有什么赶脚一个学期就过了,赶脚神马都没学就要交期末作业了。
再三纠结后,最后决定弄个有线鼠标改无线鼠标!然后…然后就只剩下百度了。
本想有线改无线是个很简单的事情,没想到,这下摊上大事了。。。
然后看了一大堆的资料
工欲善其事,必先晒其器!话说这是本屌看起来稍微专业点的装备了。
两颗配对转码的ic,一堆电容电阻,松香焊锡神马的统统先到位。
一对无线收发器。由于自己做这个东西太复杂麻烦了,所以果断x宝了。
多彩的有线鼠标一枚,才到手一个多月,没办法只好牺牲下了,
剩下其他全都是无线鼠标了。
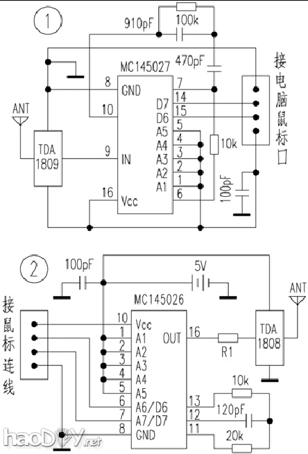
电路图一张,由于tda1808停产了,找了半天都没货,所以果断换成了x宝上入手的一对收发器。A6/D6 A7/D7是usb的两根数据线接口。剩下的就是准备开干了。
电路板神马的,直接省了!抠脚大汉焊东西技术是这样的,渣渣!
Usb接收器弄好一大半了,接着弄接收器!
接收器的脚粗了点,而且比较光滑,老是掉。弄这三个脚起码弄了本屌半个小时。
焊好后果断打上热熔胶,免得又掉了就悲剧了。
这个时候才体现出电路板的好处啊,直接插上去焊接。
你们尽管吐槽吧,自己看了都想吐槽几句!黄色的拿来做天线。
接收器弄好了就先不管了,接着去弄发射器。
之前焊好了的发射器,后来掉的就剩这一根了。泥煤~~!
话说这次焊好,再次果断热熔胶。对了,忘记说了,红色火线,黑色地线,
绿色黄色不是数据线就是天线,嘻嘻。
明显从焊点看得出我是个慢热型的选手~~!之前的都是一大坨,
后来的就基本上还是有个样子可以看了。
顺便看看多彩狼牙的里面的结构吧!
直接将就鼠标背后的焊点,加点料就弄上去了,不过还是花了不小的功夫。
收发器都弄好了,看来是要准备上岗了!
先用原来鼠标
(责任编辑:admin) |
织梦二维码生成器
------分隔线----------------------------