|
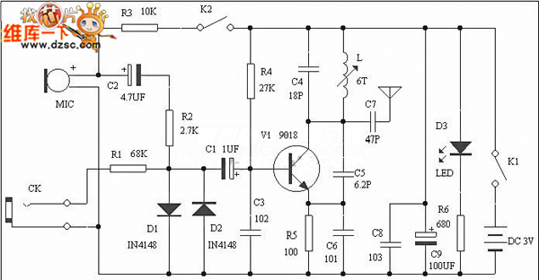
上面的电路图可以调节后面一个线圈参数和电容参数张变发射频率至88-108MHz,用FM收音机来接收。 你可以慢慢研究,我试做过好多次了。距离在20-100米左右。电源电压加至9V,可发送100米以上。不过频率不太稳定,做窃听器很适合的 (责任编辑:admin) |
|
上面的电路图可以调节后面一个线圈参数和电容参数张变发射频率至88-108MHz,用FM收音机来接收。 你可以慢慢研究,我试做过好多次了。距离在20-100米左右。电源电压加至9V,可发送100米以上。不过频率不太稳定,做窃听器很适合的 (责任编辑:admin) |
十年前,戴耳环还可能被视为叛逆的象征,现在不戴才更引人注目了吧。所以,怎么才能让...
出门的时候带手机又带公交卡口袋是不是很挤呢,如果拿手机凑上去逼的一下是不是很酷呢...
鉴于网络上没有完整的固态特斯拉线圈教程,所以我精心准备了这个贴子,现在大部分SSTC...
想建立自己的工作台可以参考我的这个帖子! http://bbs.mydigit.cn/read.php?tid=8968...
前言:无线电遥控器和红外遥控器大家都熟悉,它们只能近距离的进行操作,如何在办公室...
现在的加湿器都是功能单一,能不能设计一个简单的比较好玩而又有动感的加湿器,在完成...
松香水制作
更新:2015-06-26
用家里常见的材料蚀刻PCB板
更新:2012-09-07
改良版自动上水电路,好用才是最
更新:2017-05-10
【视频】制作达芬奇偏心凸轮锤
更新:2017-07-04