最好的电子音响科技diy制作网站

haoDIY_音响电子电脑科技DIY小制作发明

磁棒的折腾

时间:2017-04-27 22:23来源:www.crystalradio.cn 作者:40后矿友 点击:
磁棒的折腾 星期天到电子市场去逛了一圈,看到有一店铺处理8*70mm的磁棒,每支0.2元,觉得很便宜,一口气买了50支,共去大洋10元。 8*70mm的尺寸太小,不如让他们抱团,用12支粘成一根又粗又长的金箍棒!48支小磁棒,变成4根大磁棒。 有了磁棒,还得要线圈管
磁棒的折腾
星期天到电子市场去逛了一圈,看到有一店铺处理8*70mm的磁棒,每支0.2元,觉得很便宜,一口气买了50支,共去大洋10元。
磁棒的折腾

8*70mm的尺寸太小,不如让他们抱团,用12支粘成一根又粗又长的金箍棒!48支小磁棒,变成4根大磁棒。
磁棒的折腾

有了磁棒,还得要线圈管哦!塑料针管不太合身,最好是量身定做!手边有一种绦纶绘图纸,绝缘性能应该是不错的,就用它粘成线圈管。手艺不精,请多包涵!
磁棒的折腾
磁棒的折腾

可以绕线圈了!每支磁棒分两边绕,每端绕30匝,加上中间的两匝,一根磁棒共绕62匝,用的0.1*150的李兹线。买的20米李兹线不多不少,共绕了4根磁棒线圈。
磁棒的折腾

先做一个最简单的单回路矿石机,试一下这种磁棒天线的接收能力。不必画电路图了吧,从实物图上也可看出电路是什么样的,两支磁棒串联,从中间抽头,串联后的电感量有400多微亨。
磁棒的折腾

6.JPG (127.81 KB, 下载次数: 18)

下载附件

2012-7-4 08:13 上传

 


收听结果不算很满意,能收两个台(774、873kHz),还有一个台(1179kHz)若隐若现,似有似无,“似闻此处卖仙丹,声在虚无缥渺间。”
而且,接收效果不太稳定,天气好的时候能收两个台,天气差的时候只能收一个台,声音也小。还有些现象不可解,同样是晴天,收湖北台,前几天测直流分量有2微安多,现在只有0.7微安不到,猜测是不是与气温有关。据说,气温越高,2AP9的检波效率越差。于是我换BAT85试了一下,记得原来BAT85的效果不如2AP9的,这次换了BAT85后,检波后的直流分量与2AP9相同,都是0.7微安,但主观感觉BAT85的音量还大些。
另外,将串联线圈的头尾交换,直流成分也有很大的变化!比如正向有0.7微安,反向仅0.3微安。不可理解!
燕都ham 发表于 2012-7-4 08:37 磁棒的折腾
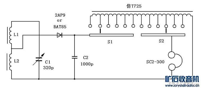
相当于并联吗?线圈阵列与可变是怎样关系,还是上个电路图吧!
如楼主所说串联,是不是相位.......

磁棒的折腾

(责任编辑:admin)
织梦二维码生成器
顶一下
(0)
0%
踩一下
(0)
0%
------分隔线----------------------------
发表评论
请自觉遵守互联网相关的政策法规,严禁发布色情、暴力、反动的言论。
评价:
表情:
用户名: 验证码:点击我更换图片
栏目列表
推荐内容