|
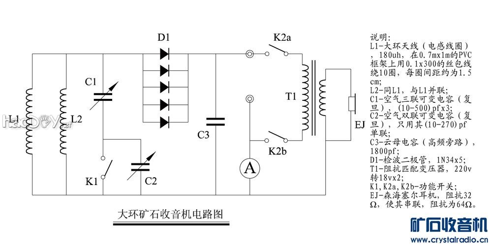
一、1号大环矿石机 自小喜欢无线电,但后来还是从事了别的行业;人到中年,工作很忙,但还是放不下无线电爱好,业余时间又把矿石收音机“捡”起来了。来矿坛也很长时间了,久闻各位老师和前辈的大名,也在矿坛器材友情交换和友谊电子那里买过不少元件。 平时工作很忙,忙里偷闲自己用鳄鱼夹和导线连了一台矿石机做试验,有声但效果不好,后来经过几次改进和调试,正式制作了一台环形天线矿石收音机(1号大环矿石机),为单回路(电路图详见附图),能收到6个台,信号最强的电台为北京电台城市管理广播,微安表显示能到30~35uA。 1号大环矿石机主要元器件选择及技术参数如下:L1-大环天线(电感线圈),180uh,在0.7mx1m的PVC框架上用0.1x300的丝包线绕10圈,每圈间距约为1.5cm;L2-同L1,与L1并联;C1-空气三联可变电容(复旦),(10-500)pfx3;C2-空气双联可变电容(复旦),只用其(10-270)pf单联;C3-云母电容(高频旁路),1800pf;D1-检波二极管,1N34x5;T1-阻抗匹配变压器,220v转18vx2;K1,K2a,K2b-功能开关;EJ-森海塞尔耳机,阻抗32Ω,使其串联,阻抗为64Ω。 1号大环矿石机电路图如下: 1号大环矿石机收到的电台列表如下: 1号大环矿石机照片及详图如下:
(责任编辑:admin) |


(责任编辑:admin)



















