欢迎光临haoDIY - DIY制作从这里开始!

haoDIY创好电子音响电脑科技DIY小制作发明

  • 『MM DIY』给车子加个FM信号放大器。 [其他无线电收发] 『MM DIY』给车子加个FM信号放大器。 日期:2017-06-24 21:34:42 点击:415 好评:0

    鬼子歌乐产的,从一老款奔驰E级的天线座里拆出来的。还是很新的。装车前先做个屏蔽盒。去小超市买了罐牛奶。喝光后剪铁皮。用刀子在铁皮上刻出需要弯折的线条。开始折边里面焊两个固定电路板的。贴上绝缘胶布。电路板放进去试试,大小正好。上翻盖的不太方便...

  • 『MM DIY』继续折腾捡来的那对讲机。 [其他无线电收发] 『MM DIY』继续折腾捡来的那对讲机。 日期:2017-06-16 20:56:01 点击:91 好评:0

    捡了个畅通5118对讲机。于是折腾开始了。。。拆机贴 http://bbs.mydigit.cn/read.php?tid=1547688电池改造贴 http://bbs.mydigit.cn/read.php?tid=1549730电池折腾完了,可以用了。该折腾面镜了。捡来的时候面镜就已经没了。找个CD光盘盒。裁下来一块。比划一...

  • 【参赛】胆FM 脉冲计数接收机 [其他无线电收发] 【参赛】胆FM 脉冲计数接收机 日期:2017-05-28 21:27:25 点击:267 好评:0

    胆FM 脉冲计数接收机 这个DIY刚结束正好赶上第七届,欣然报名凑个热闹。早在数月前就发现这个电路资料,但感觉这种形式的电路不太受青睐,极少有人实验,我也曾在坛里问过,但始终无果。所以决定要试一试。这个电路资料来自澳洲网站,在此首先要感谢澳洲爱好...

  • 【参赛】示波管电视机 [其他无线电收发] 【参赛】示波管电视机 日期:2017-05-28 21:19:38 点击:193 好评:68

    眼看比赛就要在19号完成了 我也急眼了这几天连续加班总算是完工了 在此感谢帮助我的:znke jiangqishan8 于海旺bg1trk谢谢! 示波管电视机是我多年的一个梦想(虽然我今年才18) 但是由于电路的复杂和各种数据模糊示波管屏压过高都放弃了 最后我偶然看见一个...

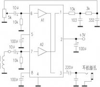
  • 手机信号辐射检测探测器的制作 [其他无线电收发] 手机信号辐射检测探测器的制作 日期:2014-06-17 13:42:03 点击:518 好评:6

    这是一个移动电话(手机)的信号探器电路,可以检测出GSM(全球移动通信系统)频带,在约900 MHz的信号。由于信号是数字化编码,它可以检测到活动的信号,而不是语音或消息内容。耳机是用来听检测到的信号。 手机信号探测器的制作的电路原理图 有两个单独的...

  • 制作40kHZ超声波发射电路1 [其他无线电收发] 制作40kHZ超声波发射电路1 日期:2013-01-01 19:17:31 点击:307 好评:0

    免费提供各种电子制作文章、资料、图纸...

  • 制作红外发射接收器 [其他无线电收发] 制作红外发射接收器 日期:2013-01-01 19:10:15 点击:222 好评:0

    免费提供各种电子制作文章、资料、图纸...

  • diy音频感应无线耳机耳塞的改进 [其他无线电收发] diy音频感应无线耳机耳塞的改进 日期:2013-01-01 16:32:21 点击:173 好评:0

    免费提供各种电子制作文章、资料、图纸...

  • 制作双稳态超声波接收机电路 [其他无线电收发] 制作双稳态超声波接收机电路 日期:2013-01-01 16:31:44 点击:168 好评:0

    免费提供各种电子制作文章、资料、图纸...

  • 制作单稳式超声波接收器电路 [其他无线电收发] 制作单稳式超声波接收器电路 日期:2013-01-01 16:31:36 点击:137 好评:0

    免费提供各种电子制作文章、资料、图纸...

栏目列表
推荐内容
织梦二维码生成器
广告位API接口通信错误,查看德得广告获取帮助
广告位API接口通信错误,查看德得广告获取帮助